Описание
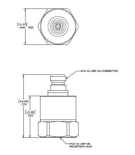
Модель 3101A — это небольшой герметичный пьезоэлектрический акселерометр со встроенной электроникой, разработанный специально для измерения вибрации на небольших конструкциях. Преобразователь оснащен герметичным верхним разъемом 10-32 и имеет титановое шестигранное основание, которое можно закрепить винтами или клеем. Его небольшой вес (8 г) эффективно минимизирует эффекты нагрузки масс.
Характеристики
• Миниатюрный размер
• Крепление на клей или шпильку
• Герметичное уплотнение
• Кольцевой режим сдвига
• Широкий температурный диапазон
Применение
• Мониторинг вибрации •
Испытания на удар
• Дорожные испытания
• Модальный анализ
• Испытания самолетов
Одноосевой IEPE-акселерометр :
1. Диапазон (±g): 50, 100, 500, 1000
2. Чувствительность (мВ/g): 100, 50,
10, 5 3. Частотная характеристика (Гц, ±3 дБ): 0,4–12000
4. Предел удара (±g): 5000
5. Рабочая температура (℃): -50–125
6. Вес (грамм): 8
7. Размеры (мм): 11×11×20
8. Материал корпуса: Нержавеющая сталь
9. Выходной разъем: 10-32
