Описание
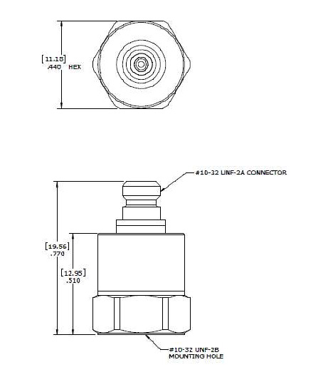
Модель 3101E — это небольшой герметичный пьезоэлектрический акселерометр со встроенной электроникой, который имеет возможности IEEE P1451.4 Transducer Electronic Data Sheet (TEDS). Этот акселерометр разработан специально для измерения вибрации на небольших конструкциях. Датчик имеет герметичный верхний разъем 10-32 и имеет титановое шестигранное основание, которое можно закрепить винтами или клеем. Его небольшой вес (8 г) эффективно минимизирует эффекты нагрузки масс.
Особенности
• Миниатюрный размер
• Встроенный IEEE P1451.4 TEDS
• Крепление на клей или шпильку
• Герметичное уплотнение
• Кольцевой режим сдвига
• Широкий температурный диапазон
Применение
• Мониторинг вибрации
• Испытания на удар
• Дорожные испытания
• Модальный анализ
• Испытания самолетов
Одноосевой IEPE-акселерометр :
1. Диапазон (±g): 50, 100, 500, 1000
2. Чувствительность (мВ/g): 100, 50, 10,
5 3. Частотная характеристика (Гц, ±3 дБ): 0,4-12000
4. Предел удара (±g): 5000
5. Эксплуатация Температура (℃): -50-125
6. Вес (грамм): 8
7. Размеры (мм): 11×11×20
8. Материал корпуса: нержавеющая сталь
9. Выходной разъем: 10-32
