Двухосный низкочастотный акселерометр с температурным выходом
Промышленный преобразователь Модель 2211T
Функции
• Низкочастотная характеристика
• Двуосный выход
• Высокая чувствительность
• Выходная температура
• Случай изолированный
• Защита от электростатического разряда
• Защита от обратной полярности
• Экранирование от электромагнитных и радиочастотных помех
Приложение
•Низкочастотный мониторинг
Основные характеристики :
1. Диапазон (±g): 5,10,50
2.Чувствительность (мВ/г): 1000,500,100
3. Частотная характеристика (Гц, ±3 дБ): 0,1-5000
4. Предел удара (±g): 2000
5. Рабочая температура (℃): -55-125
6. Вес (грамм): 250
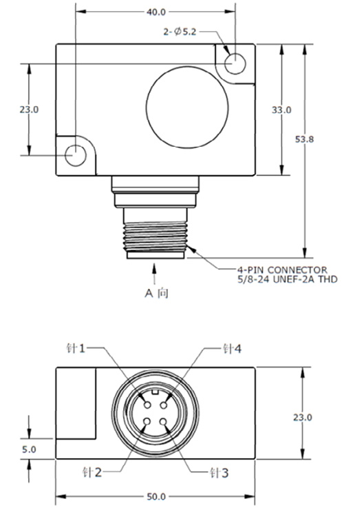
7.Размеры (мм): 55×50×25
8.Материал корпуса: нержавеющая сталь
9. Выходной разъем: 5-контактный разъем M12
