Миниатюрный трехосевой IEPE-акселерометр Модель 4310A
Описание
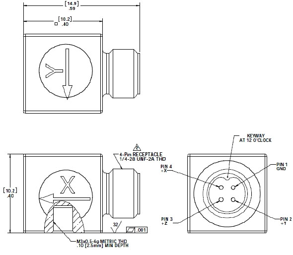
Модель 4310A представляет собой миниатюрный трехосный пьезоэлектрический акселерометр со встроенной электроникой, специально разработанный для измерения вибрации в трех
ортогональные оси на малых конструкциях. Преобразователь имеет герметичный 4-контактный разъем 1/4-28 для выходного соединения, и может быть винтовым или клеевым
Установлен. Его небольшой вес (4 г) эффективно минимизирует эффекты нагрузки массы.
Функции
•Трехосное измерение
•Миниатюрный куб
•Крепление на клей или шпильки
•Герметичное уплотнение
•Режим кольцевого сдвига
•Широкий диапазон температур
•Длительность шока
Приложение
•Контроль вибрации
•Ударные испытания
•Дорожные испытания
•Модальный анализ
•Испытания самолетов
Трехосевой IEPE-акселерометр :
1. Диапазон (±g): 50, 100, 500, 2000
2. Чувствительность (мВ/г): 100, 50, 10, 2,5
3. Частотная характеристика (Гц, ±3 дБ): 0,5-11000
4. Предел удара (±g): 5000
5. Рабочая температура (℃): -50-125
6. Вес (грамм): 4,3
7.Размеры (мм): 14,9×10,2×10,2
8.Материал корпуса: титановый сплав
9. Выходной разъем: 4-контактный разъем 1/4-28
