*Atende ao padrão GJB2889
*A forma da junta final é soldagem ou compactação
*Uma conexão rápida de fivela
*É amplamente utilizado no ambiente
Desempenho técnico principal:
1.【Características físicas】
1)Não selado comum e selado através do tipo de parede
——Invólucro: liga de alumínio de alta resistência
——Revestimento do invólucro:
Revestimento de blindagem: passivação verde exército, niquelagem química
Revestimento sem blindagem: polarização positiva preta
——Isolador: materiais termoplásticos
——Círculo de vedação: borracha de silicone
——contator: revestimento de liga de cobre com ouro
——Vida útil: plugue 1000 vezes
2)soquete selado de placa quadrada sinterizada de vidro
——Invólucro: aço carbono
——Revestimento do invólucro: galvanoplastia, niquelagem
——Isolador: vidro
——contator: ouro de ferroliga galvanoplastia ou niquelagem
——Vida útil: conecte 1000 vezes
2.【Características elétricas】
——Resistência de contato e corrente nominal
| Especificações mm | Resistência de contato NÃO selada | Resistência de contato selada através da parede | placa quadrada selada Resistência de contato | corrente nominal A |
| φ1,0 | ≤5mΩ | ≤10mΩ | ≤15mΩ | 5 |
| φ1,5 | ≤2,5 mΩ | ≤5mΩ | ≤7,5 mΩ | 10 |
| Φ2,0 | ≤1,25 mΩ | ≤2,5 mΩ | ≤3,75 mΩ | 20 |
| Φ3,0 | ≤0,75 mΩ | ≤1,5 mΩ | ≤2,25 mΩ | 40 |
——Tensão nominal e resistência à tensão
| Ambiente operacional | Conector elétrico selado | Conector elétrico NÃO selado | ||
| Tensão nominal | resistência de tensão | Tensão nominal | resistência de tensão | |
| temperatura ambiente | 500 V | 1500 V | 500 V | 1500 V |
| Ambiente úmido e quente | 500 V | 750 V | 500 V | 1125V |
| Baixa pressão (1kPa) | 150 V | 300 V | 250 V | 300 V |
——Resistência de isolamento: MΩ
| Nível de aplicação | padrão | Alta temperatura | Molhado e quente |
| Resistência de isolamento | ≥5000 | ≥1000 | ≥100 |
3.【Características ambientais】
—— Temperatura de operação: -55 ~ 200 ℃
—— Umidade relativa: 95%, 40 ± 2 ℃
—— Altura: 30000 m
—— Vibração sinusoidal: 10-2000 Hz, 20 g
—— Aceleração constante: 100 g
—— Aceleração de choque: 100 g
4.【Outras características】
Anti-umidade, à prova de névoa salina, à prova de mofo, à prova de chuva, à prova de poeira
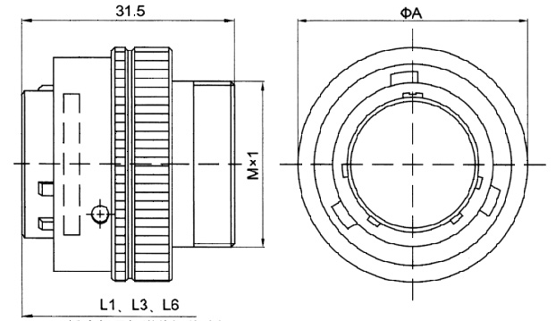
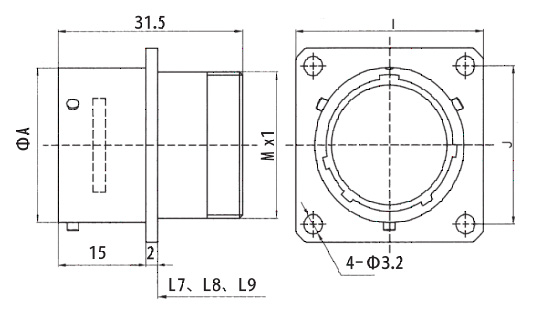
Plug
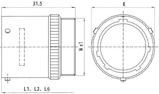
Socket
