Ваш источник качественной продукции

Инновации, ведущие к передовым технологиям

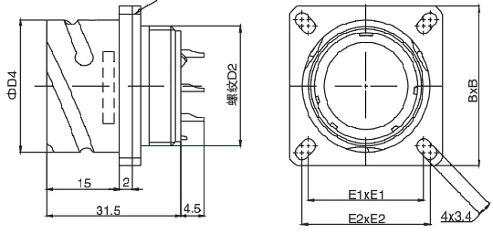
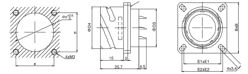
ЭЛЕКТРИЧЕСКИЙ РАЗЪЕМ

ЭЛЕКТРИЧЕСКИЕ СОЕДИНИТЕЛИ YMG
ЭЛЕКТРИЧЕСКИЕ СОЕДИНИТЕЛИ YMG

ЭЛЕКТРИЧЕСКИЕ СОЕДИНИТЕЛИ YMG

* Быстрое соединение с пряжкой
* Вилка, гнездо для штифтов и отверстий
* Форма торцевого соединения - сварка
* Пять ключей имеют функцию слепой вставки
* Герметичность от дождя, устойчивость к коррозии
 
Основные технические характеристики:
Физические характеристики
-- Корпус : Пассивация нержавеющей стали, химическое никелирование меди,
химический никель алюминия
-- Изолятор : Термопластичные материалы
-- Герметичное гнездо : Силиконовая резина
-- Контактор : Позолота из медного сплава
-- Синусоидальная вибрация : 20 г, 10-2000 Гц
-- Ускорение : 100 г
-- Ударное ускорение: 100 г
-- Срок службы : Вилка 1000 раз
Характеристики окружающей среды
-- Рабочая температура : -55 ℃ ~ 200 ℃
-- Относительная влажность: 95% , 60 ℃
-- соль Защита от тумана: нержавеющая сталь 1000 ч; медный сплав 500 ч; алюминиевый сплав 48 ч
— защита от плесени, дождя, пыли
Электрические характеристики
Контактное сопротивление и номинальный ток

Характеристики контактов (мм)Контактное сопротивление (мОм)Номинальный ток
(А)
Внутренний диаметр сварочного ствола (мм)
φ0,635251Ф0,7
φ1.055Ф1.2
φ1.52.510Ф1,8
φ2.01.2520Ф2.5
Ф3.00,7540φ3.0

 

 


















Номинальное напряжение и сопротивление напряжению, сопротивление изоляции
 

Рабочее состояниеНоминальное напряжение Всопротивление напряжения ВСопротивление изоляции МОм
Комнатная температура5001500≥5000
жарко и влажно5001125≥100
Низкое давление
(1кПа)
250300——



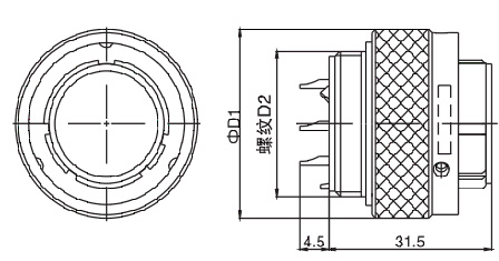
РОЗЕТКА
 Электрические разъемы YMG

Электрические разъемы YMG
Электрические разъемы YMG
Электрические разъемы YMG
Электрические разъемы YMGЭлектрические разъемы YMG


Integrated Circuits

We always adhere to the excellent quality of electronic components, put an end to all the fake and shoddy products