Особенности :
*Соответствует стандарту MIL-C-83513
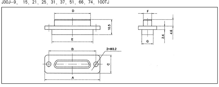
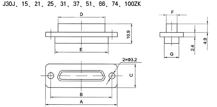
*Количество контактов: 9, 15, 21, 25, 31, 51, 66, 74, 100
*Материал оболочки : Металлический экран
*соответствует американской серии MDM
*Диаметр сердечника проводника 0,1 мм2~0,15 мм2 , специальный заказ 0,07 мм2
【Физические характеристики】
-- Синусоидальная вибрация: 20 г, 10-2000 Гц
-- Ударное ускорение: 75 г, 11 мс
-- Срок службы: 500 подключений
-- Номинальный ток: 3 А
-- Сопротивление контакта: ≤ 10
мОм -- Сопротивление изоляции: ≥ 5000 МОм
-- Сопротивление напряжению: 800 В
【Характеристики окружающей среды】
--Рабочая температура: -55℃~125℃ --Относительная влажность: 90 %
-98%, температура 40 ± 2℃
РОЗЕТКА


