Особенности :
*Специально разработан для суровых условий
*Концевое соединение - сварка или уплотнение
*Быстрое соединение с помощью пряжки
*Встроенный порт RJ45, USB, MiniUSB, RJ11 или 1394
*Позолоченный контактор
*Передача данных между сетью и сетью, между сетью и ПК и цифровыми продуктами
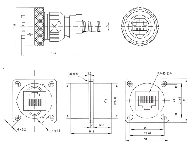
*Размеры установки порта соответствуют стандартам GJB598 (MIL-C-26482) и GJB599
*Технические характеристики соответствуют стандартам GJB598 (MIL-C-26482) и TIA/EIA-568
Основные технические характеристики:
1.【Физические характеристики】
——Корпус: пассивация нержавеющей стали, химическое никелирование алюминия
——Срок службы: 500 подключений
——Синусоидальная вибрация: 10-2000 Гц, 15 г
——Ускорение удара: 50g
2.【Характеристики окружающей среды】
——Рабочая температура: -55~125℃
——Относительная влажность: 90%~95%,40℃
3.【Электрические характеристики】
——Рабочее напряжение: 150 В(RJ45, RJ11);30 В(USB, Mini USB);40 В(1394)
——Рабочий ток:1,5 А(RJ45, RJ11);1 А(USB, Mini USB);1,5 А
——Контакты сопротивление: ≤20 МОм (RJ45, RJ11); ≤30 МОм (USB); ≤50 МОм (1394, Mini USB);
—— Сопротивление изоляции: ≥5000 МОм
4. 【Характеристики передачи данных】
—— RJ45: спад: 0,3 дБ (100 МГц); перекрестные помехи: 40 дБ (100 МГц);
Сопротивление: 100 Ом скорость передачи: 1000 Мбит/с
—— USB, 1394: соответствует USB2.0 и IEEE1394
