Особенности :
* Метрический стандарт, соответствует GJB101A -97
* Быстрое соединение с пряжкой, небольшой размер, легкий вес
* Гнездо оснащено фланцевым типом, кабельным типом, типом через стену, гайкой и плотным типом и многими другими формами.
* Гнездо герметизировано заливкой smidahk
Основные технические характеристики:
【Физические характеристики】
Защитное покрытие : Химическое никелирование
Неэкранированное покрытие : Черная положительная поляризация
-- Изолятор : Термопластичные материалы
-- Синусоидальная вибрация : 20 г, 10-2000 Гц
-- Ударное ускорение: 100 г
-- Срок службы : Вилка 500 раз
【Экологические характеристики】
--относительная влажность: 90% -95%, температура 40 ± 2℃
--рабочее давление: 101,33 кПа~4,39 кПа
--герметичная розетка: 0,2 МПа
--защита от дождя: 5 мм/мин
--соляной туман: GJB101A-97, пункт 3, пункт 6, пункт 13
【Электрические характеристики】
Характеристики контактов
| Диаметр штифта (мм) | 1 | 1.5 | ||
| Рабочий ток (А) | 5 | 10 | ||
| материал | Медный сплав | ферросплав | Медный сплав | ферросплав |
| Контактное сопротивление (мОм) | ≤5 | ≤15 | ≤3 | ≤10 |
——Сопротивление изоляции
| стандартное атмосферное давление | влажная среда | дождь | Высокая температура |
| ≥3000МОм | ≥20МОм | ≥20МОм | ≥500МОм |
——сопротивление напряжению
| стандартное атмосферное давление | Низкое давление | влажный и жаркий |
| Переменный ток 1500 В ср.кв. | Переменный ток 200 В ср.кв. | Переменный ток 500 В ср.кв. |

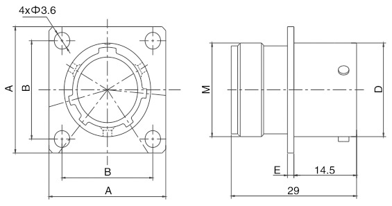
Y11X-XXXXTJ(K)2 вилка

Y11X-XXXXZJ(K)10-2 РОЗЕТКА
