Gyro série KTFG-70
Este produto é um sensor de taxa de ângulo inercial baseado no efeito óptico Sagnac para medir a velocidade angular rotacional da portadora ao longo do eixo sensível. O circuito de detecção de malha fechada digital é usado para extrair a diferença do caminho óptico da luz no sentido horário causada pela velocidade angular física externa, e o sinal de tensão do sinal do caminho óptico é modulado e demodulado, e o feedback e o controle de malha fechada são realizados para atingir o propósito de detecção do sinal de velocidade angular em tempo real.
Função: Este produto consiste em duas partes: unidade sensível à velocidade angular óptica e detecção de sinal, fornecendo informações de incremento de ângulo uniaxial e informações de temperatura interna.
Escopo de aplicação: Os produtos são principalmente adequados para guindaste fotoelétrico / guindaste / plataforma voadora / navegação inercial / sistema de medição inercial / instrumento óptico / fotográfico / dispositivo de estabilização de plataforma / instrumento de medição inercial e outras aplicações.
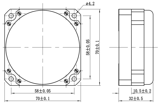
Tamanho da instalação
Principais parâmetros de desempenho
| Sn# | item de teste | E | M | eu |
| 1 | Dimensões (mm) | 70×70×32 | 70×70×32 | 70×70×32 |
| 2 | hora(s) de início | 5 | 5 | 5 |
| 3 | Desvio de polarização (°) / h (10s suave, temperatura fixa) | ≤0,03 ≤0,01(100 suave) | ≤0,05 | ≤0,3 |
| 4 | Desvio de polarização (°) / h (10s suave) -45~ + 70 | ≤0,1 | ≤0,15 | ≤0,5 |
| 5 | Repetibilidade de polarização (°) / h | ≤0,03 | ≤0,05 | ≤0,3 |
| 6 | Coeficiente de caminhada aleatória ( o ) /h 1/2 | ≤0,005 | ≤0,01 | ≤0,02 |
| 7 | Fator de escala não linear (ppm) | ≤10 | ≤20 | ≤50 |
| 8 | Repetibilidade do fator de escala (ppm) | ≤10 | ≤20 | ≤50 |
| 9 | Temperatura de operação ℃ | -40~+70 | -40~+70 | -40~+70 |
| 10 | Temperatura de armazenamento de (℃) | -45~+80 | -45~+80 | -45~+80 |
| 11 | Faixa dinâmica (°) / s | ±500 | ±500 | ±500 |
| 12 | Tensão de alimentação (V) | ±5 | ±5 | ±5 |
| 13 | Consumo de energia em estado estacionário (temperatura máxima) (W) | <4 | <4 | <4 |
| 14 | peso (g) | <290 | <290 | <290 |
AVISO LEGAL: As especificações estão sujeitas a alterações sem aviso prévio. A kaituo reserva-se o direito de fazer alterações em qualquer produto ou tecnologia aqui contida para melhorar a confiabilidade, a função ou o design.