Descrição
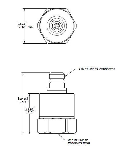
O Modelo 3101A é um pequeno acelerômetro piezoelétrico hermeticamente fechado com eletrônica integral, projetado especificamente para medir vibração em pequenas estruturas. O transdutor possui um conector superior 10-32 hermeticamente fechado e tem uma base hexagonal de titânio que pode ser montada com parafusos ou adesivos. Seu peso leve (8 g) minimiza efetivamente os efeitos de carga de massa.
Características
•Tamanho miniatura
•Montagem adesiva ou de pino
•Selo hermético
•Modo de cisalhamento anular
•Ampla faixa de temperatura
Aplicação
•Monitoramento de vibração
•Teste de choque
•Teste de estrada
•Análise modal
•Teste de aeronave
Acelerômetro IEPE axial único :
1. Faixa (± g): 50,100,500,1000
2.Sensibilidade (mV/g): 100,50,10,5
3.Resposta de frequência (Hz, ± 3dB): 0,4-12000
4.Limite de choque (± g): 5000
5.Temperatura operacional (℃): -50-125
6.Peso (gramas): 8
7. Dimensões (mm): 11×11×20
8. Material da caixa: aço inoxidável
9. Conector de saída: 10-32
