Acelerômetro de tamanho compacto
Transdutor industrial Modelo 2107A
Características
• Peso leve
• Tamanho compacto
• Selo hermético
• Caixa isolada
• Proteção ESD
• Proteção de fiação reversa
Aplicação
• Máquina, turbina eólica
Características principais :
1. Alcance (± g): 5,10,20,80,500
2. Sensibilidade (mV/g): 1000,500,250,100,10
3. Resposta de frequência (Hz, ± 3 dB): 0,5-10000
4. Limite de choque (± g): 5000
5. Temperatura de operação (℃): -55-125
6. Peso (gramas): 55
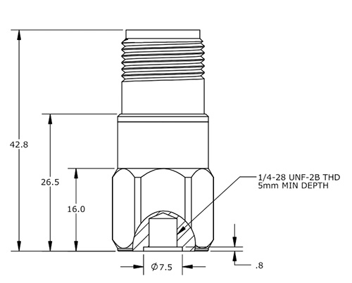
7. Dimensões (mm): 18 × 18 × 43
8. Material da caixa: aço inoxidável
9. Conector de saída: 2 pinos MIL-C-5015

