Acelerômetro biaxial de baixa frequência , com saída de temperatura
Transdutor industrial modelo 2211T
Características
• Resposta de baixa frequência
• Saída biaxial
• Alta sensibilidade
• Saída de temperatura
• Caso isolado
• Proteção ESD
• Proteção de fiação reversa
• Blindado EMI / RFI
Aplicativo
•Monitoramento de baixa frequência
Principais características :
1. Faixa (± g): 5,10,50
2. Sensibilidade (mV/g): 1000,500,100
3. Resposta de frequência (Hz, ± 3 dB): 0,1-5000
4. limite de choque (± g): 2000
5.Temperatura de operação(℃):-55-125
6. Peso (gramas): 250
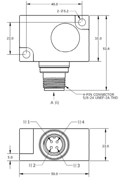
7. Dimensões (mm): 55×50×25
8. Material da caixa: Aço inoxidável
9. Conector de saída: conector M12 de 5 pinos
