Acelerômetro biaxial de baixa frequência , proteção contra raios
Transdutor industrial Modelo 2212A
Características
• Resposta de baixa frequência
• Saída biaxial
• Alta sensibilidade
• Vedação hermética
• Proteção contra raios
• Proteção ESD
• Blindagem EMI / RFI
Aplicação
• Baixa frequência, oscilação da torre
Principais características :
1. Alcance (± g): 5,10,50
2. Sensibilidade (mV/g): 1000,500,100
3. Resposta de frequência (Hz, ± 3 dB): 0,1-5000
4. Limite de choque (± g): 2000
5. Temperatura de operação (℃): -55-125
6. Peso (gramas): 250
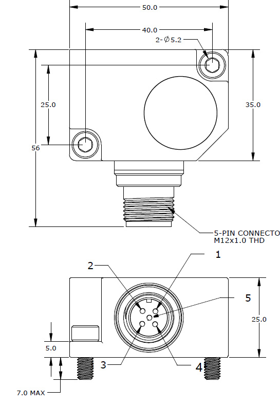
7. Dimensões (mm): 55 × 50 × 25
8. Material da caixa: aço inoxidável
9. Conector de saída: conector M12 de 5 pinos
