Features:
*specially designed for terrible environment
*The end joint form is welding or Compaction
*A buckle fast connection
*Built-in RJ45、USB、MiniUSB、RJ11 or 1394 port
*contactor gold plating
*data transmission between network to network,network to PC,and PC to digital products
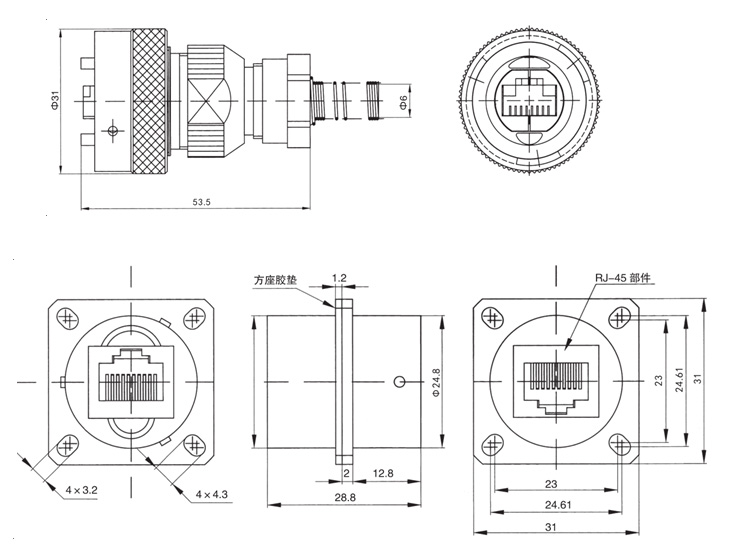
*port installation dimension meets the GJB598( MIL-C-26482) and GJB599 standard
*technical performance meets the GJB598( MIL-C-26482) and TIA/EIA-568 standard
Main technical performance:
1.【Physical characteristics】
——Shell:Stainless steel passivation,aluminium Chemical nickel plating
——Useful life:Plug 500 times
——Sinusoidal vibration: 10-2000Hz, 15g
——shock acceleration: 50g
2.【Environmental characteristics】
——Operating temperature:-55~125℃
——relative humidity:: 90%~95%,40℃
3.【Electrical characteristics】
——Operating voltage:150V(RJ45、RJ11);30V(USB、Mini USB);40V(1394)
——Operating current:1.5A(RJ45、RJ11);1A(USB、Mini USB);1.5A
——Contact resistance:≤20MΩ(RJ45、RJ11);≤30MΩ(USB);≤50MΩ(1394、Mini USB)
——Isolation resistance:≥5000MΩ
4.【Data transmission characteristics】
——RJ45: falloff:0.3dB(100MHz) crosstalk:40Db(100MHz)
Impedance:100Ω transmission rate:1000Mbps
——USB、1394:meets the USB2.0 and IEEE1394
