Features:
* Metric standard,Meets the GJB101A -97
*A buckle fast connection,small size,light weight
*The socket is fitted with flange type, cable type, through the wall type, nut and tight type and many other forms.
*The socket is sealed with Potting of smidahk
Main technical performance:
【Physical characteristics】
Shield Coating:Chemical nickel plating
Non-Shield Coating:Black positive polarization
--Insulator:Thermoplastic materials
--Sinusoidal vibration:20g,10-2000Hz
--shock acceleration: 100g
--Useful life:Plug 500 times
【Environmental characteristics】
--relative humidity: 90 % -95%,Temperature at 40 ± 2℃
--Operating pressure:101.33kPa~4.39KPa
--sealed socket:0.2Mpa
--rain-proof: 5mm/min
--salt spray: GJB101A-97, Item 3, Item 6, Item 13
【Electrical characteristics】
Contact Specifications
| Pin diameter (mm) | 1 | 1.5 | ||
| Operating current(A) | 5 | 10 | ||
| material | Copper alloy | ferroalloy | Copper alloy | ferroalloy |
| Contact resistance(mΩ) | ≤5 | ≤15 | ≤3 | ≤10 |
——Isolation resistance
| standard atmospheric pressure | humid environment | rain | High temp |
| ≥3000MΩ | ≥20MΩ | ≥20MΩ | ≥500MΩ |
——voltage resistance
| standard atmospheric pressure | Low pressure | humid and hot |
| AC 1500Vrms | AC 200Vrms | AC 500Vrms |

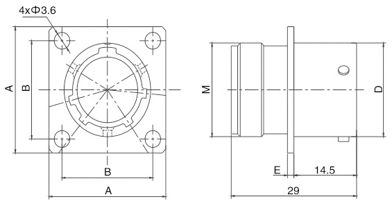
Y11X-XXXXTJ(K)2 plug

Y11X-XXXXZJ(K)10-2 SOCKET
