Medição triaxial
Acelerômetro de capacitância variável Modelo 5320A
Características
• Medição triaxial
• Resposta DC
• Escala completa de 2 a 200 g
• Movimento, baixa frequência, inclinação
• Capacidade de sobrevivência a choques de 6K g
• Compensação de temperatura
Aplicação
• Teste de voo
Principais características :
1. Alcance (± g): 2,5,10,50,200
2. Sensibilidade (mV/g): 1000,400,200,40,10
3. Resposta de frequência (Hz, ± 5%): 0-1000
4. Limite de choque (± g): 6000
5. Temperatura operacional (℃): -40-85
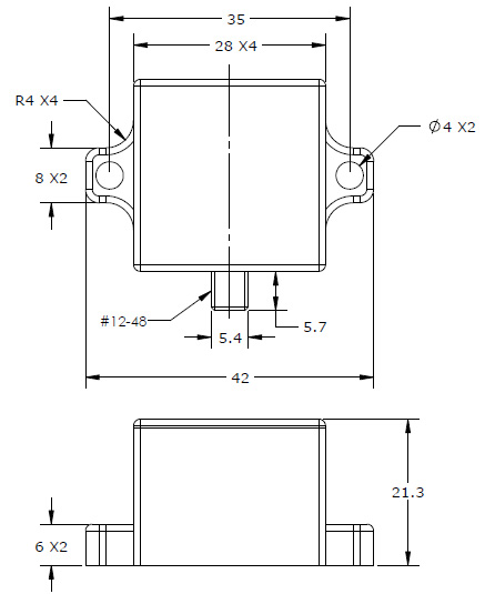
6. Peso (gramas): 40
7. Dimensões (mm): 28 × 28 × 23
8. Material da caixa: alumínio anodizado
9. Conector de saída: 5 pinos
