A sua fonte de produtos de qualidade

Potenciar a inovação Tecnologia pioneira

ACELERÔMETRO MEMS

ACELERÔMETRO MEMS CAPACITÂNCIA VC5123A
ACELERÔMETRO MEMS CAPACITÂNCIA VC5123A

ACELERÔMETRO MEMS CAPACITÂNCIA VC5123A

Baixo custo

Acelerômetro de capacitância variável modelo 5123A

Descrição

O modelo 5123A é uma solução de baixo custo para medições de baixo nível e baixa frequência.

Características

• Resposta DC

• 2 a 500g em escala total

• Movimento, baixa frequência, inclinação

• Sobrevivência a choques de 5K g

• Compensação de temperatura

Aplicativo

• Teste de estrada automotiva

• Trem de alta velocidade

• Posição dinâmica do Maglev

• Monitoramento de suspensão

• Testes de aeronaves

• Aceleração estática

• Teste de transmissão

Principais características :

1. Alcance(±g):2,5,10,50,200,500

2. Sensibilidade (mV/g): 1000, 400, 200, 40, 10, 4

3. Resposta de frequência (Hz, ± 5%): 0-1500

4. limite de choque (± g): 5000

5. Temperatura de operação (℃): -40-85

6. Peso (gramas): 6

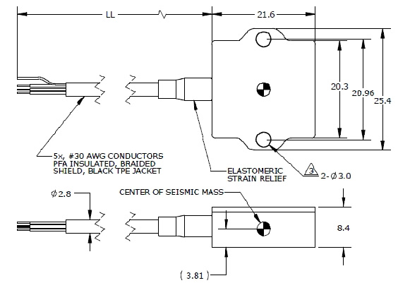
7. Dimensões (mm): 26×22×8

8. Material da caixa: Alumínio anodizado

9. Conector de saída: cabo integrado






Capacitância do acelerômetro MEMS VC5123A

Capacitância do acelerômetro MEMS VC5123A



ИНТЕГРАЛЬНЫЕ СХЕМЫ

мы всегда придерживаемся превосходного качества электронных компонентов, положили конец всем поддельным и халтурным продуктам