KT-JB 6 series quartz flexible accelerometer is a small, high temperature resistant seismic type accelerometer. The product has excellent repeatability, starting performance, high temperature seismic resistance and high reliability characteristics, which can be used for both static testing and dynamic testing, and is also a standard vibration sensor.
The product adopts unique miniaturization, high temperature resistant seismic design, advanced packaging process and special circuit, the output current of the product is proportional to the input acceleration, the user can select the appropriate sampling resistance through calculation, to achieve high precision output. And according to the user requirements of the built-in temperature sensor, can be used to compensate for the partial value and scale factor, to reduce the impact of environmental temperature. Since the launch of this product was launched in 2012, the number of deliveries has reached thousands. After years of application, it has become a mature product. The product has been widely used in the drilling measurement of oil drilling.
Features:
1. Excellent turn-on repeatability performance
2. Environmentally rugged
3. Analog output
4. Field adjustable range
5. Smaller outline size(≤25gram)
6. Widely operating Temperature Range(-55~180ºC)

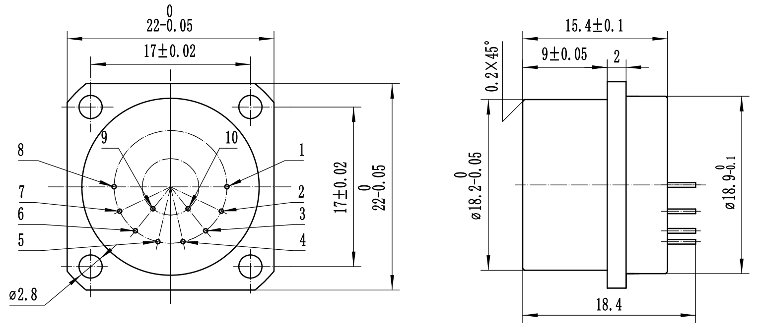
JB6-A type outside drawing (round)

JB6-B type outside drawing (square)
Performance characteristics
| S/No | Parameters | JB6-01 | JB6-02 |
| 1 | Range | ±30g | ±30g |
| 2 | Threshold /Resolution | 30μg | 30μg |
| 3 | Bias k0/k1 | ≤(±20 mg) | ≤(±20 mg) |
| 4 | Scale factor kl | 1.9~2.1mA/g | 1.9~2.1mA/g |
| 5 | Class II nonlinearity coefficient k2/k1 | ≤±20μg /g2 | ≤±50μg /g2 |
| 6 | Bias drift Sigma k0( 1σ,one month) | ≤150 μg | ≤220 μg |
| 7 | Stability of scale factor Sigma kl/kl ( 1σ,one month) | ≤150ppm | ≤220 ppm |
| 8 | Class II nonlinearity Coefficient stability k2/k1(1σ,one month) | ≤±40 μg /g2 | ≤±50 μg /g2 |
| 9 | Bias thermal coefficient | ≤±80 μg /℃ | ≤±150 μg /℃ |
| 10 | Scale factor thermal coefficient | ≤±100 ppm /℃ | ≤±200 ppm /℃ |
| 11 | Noise (sample resistance 840Ω) | ≤8mv | ≤8.4mv |
| 12 | Natural Frequency | 350~800 Hz | 350~800 Hz |
| 13 | Bandwidth | 800~2500 Hz | 800~2500 Hz |
| 14 | Vibration | 25g(20-2000Hz) | 25g(20-2000Hz) |
| 15 | Shock | 1000g,0.5ms,1/2sin | 1000g,0.5ms,1/2sin |
| 16 | Temperature range(Operating) | -40℃+150℃ | -40+180℃ |
| 17 | Temperature range(saved) | -60-+180℃ | -60-+200℃ |
| 18 | Power | ±12~±15V | ±12~±15V |
| 19 | Consume current | ±20mA | ±20mA |
| 20 | Size | Ф18.2X16mm | Ф18.2X16mm |
| 21 | Weight | 25g | 25g |
DISCLAIMER: Specifications are subject to change without notice. kaituo reserves the right to make changes to any product or technology herein to improve reliability, function or design.