KT-JB5 series quartz flexible accelerometer is a middle grade precision accelerometer with unique structural size (short) design. The product has excellent long-term stability, repeatability, dynamic response performance, good vibration and impact resistance and high reliability. It can be used for static and dynamic testing, and is also a standard vibration sensor and inclination sensor.
The product adopts a unique structural design and special circuit, the product output current and the force or acceleration is linear relationship, users can choose the appropriate sampling resistance through calculation, to achieve high precision output. And according to user needs built-in temperature sensor, used to offset value and scale factor compensation, reduce the impact of environmental temperature.
Applications: bridge, dam, oil well, coal mine dip test, high-speed railway control, ship stability control.
Features:
1. Tactical navigation grade performance
2. Analog output
3. Field-adjusting range
4. Size is smaller 
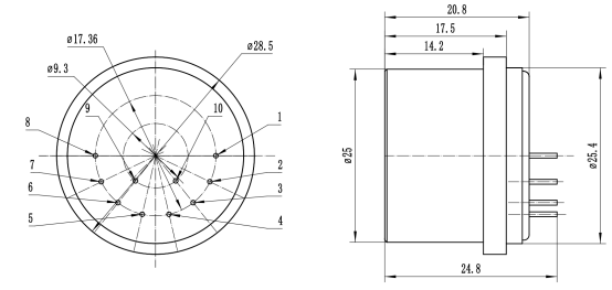
A type outline drawing

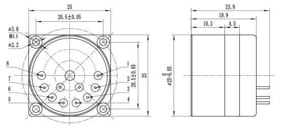
B type outline drawing

C type outline drawing
The pin name :1, signal output; 2, N; 3. -15V; 4. +15V; 5, power supply and signal ground; 6, N; 7, N; 8, N; 9, -9V output; 10. +9V output
Performance characteristics
| S/No | Parameters | KT-JB5-01 | KT-JB5-02 | KT-JB5-03 |
| 1 | Range | ±50g | ±50g | ±50g |
| 2 | Threshold /Resolution | <5µg | <5µg | <5µg |
| 3 | Bias k0/k1 | <5mg | <7mg | <10mg |
| 4 | Scale factor kl | 1.1~1.3 mA/g | 1.1~1.3 mA/g | 1.1~1.3 mA/g |
| 5 | Class II nonlinearity Coefficient k2/k1 | ≤±20μg /g2 | ≤±20μg /g2 | ≤±20μg /g2 |
| 6 | Bias drift Sigma k0( 1σ,one month) | <30µg | <50µg | <80µg |
| 7 | repeatability of scale factor Sigma kl/kl( 1σ,one month) | <50 ppm | <80 ppm | <100 ppm |
| 8 | Class II nonlinearity Coefficient repeatability k2/k1(1σ,one month) | ≤±20 μg /g2 | ≤±20 μg /g2 | ≤±20 μg /g2 |
| 9 | Bias thermal coefficient | <20µg/℃ | <30µg/℃ | <40µg/℃ |
| 10 | Scale factor thermal coefficient | <40ppm | <50ppm | <80ppm |
| 11 | Noise (sample resistance 840Ω) | ≤5mv | ≤5mv | ≤5mv |
| 12 | Bandwidth | >300 Hz | >300 Hz | >300 Hz |
| 13 | Vibration Rectification | <30µg/g2rms (50-500Hz) | <30µg/g2rms (50-500Hz) | <30µg/g2rms (50-500Hz) |
| 14 | Vibration | 20g@20-2000Hz | 20g@20-2000Hz | 20g@20-2000Hz |
| 15 | Shock | 250g 4.5ms | 250g 4.5ms | 250g 4.5ms |
| 16 | Install error | <1500µrad | <1500µrad | <1500µrad |
| 17 | Temperature range(Operating) | -55~96℃ | -55~96℃ | -55~96℃ |
| 18 | Power | ±13 ~±18V | ±13 ~±18V | ±13 ~±18V |
| 19 | Consume current | <20 mA | <20 mA | <20 mA |
| 20 | Temp. sensor | Option | Option | Option |
| 21 | Size | Ф25X25mm | Ф25.3X23mm | Ф25X24mm |
| 22 | Weight | ≤55g | ≤55g | ≤55g |
| 23 | Temperature sensor (AD590LF) | Option | Option | Option |
DISCLAIMER: Specifications are subject to change without notice. kaituo reserves the right to make changes to any product or technology herein to improve reliability, function or design.