Quartz flexible accelerometer series is a high-precision inertial navigation class accelerometer with excellent long-term stability, repeatability, start-up performance, environmental adaptability and high reliability. It can be used for both static and dynamic testing, and it is also a standard vibration sensor and inclination sensor.
The output current of the product has a linear relationship with the force or acceleration received. Users can select the appropriate sampling resistance through calculation to achieve high precision output. And according to user needs built-in temperature sensor, used to offset value and scale factor compensation, reduce the impact of environmental temperature.
Applications: inertial measurement of high-precision inertial navigation system and vibration isolation test of precision instruments and equipment in ships and other fields.
Features
1. Excellent turn-on repeatability performance
2. Environmentally rugged
3. Analog output
4. Field adjustable range
5. Three fastener precision mounting flange
6. Internal temperature sensor for thermal compensation(option)
7. For the scale factor we can adjust for you.
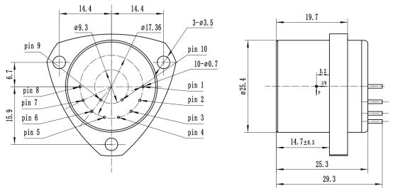
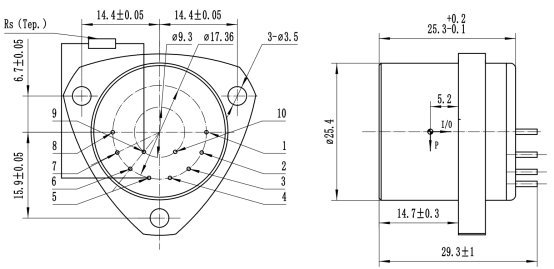
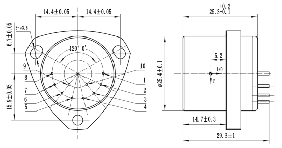
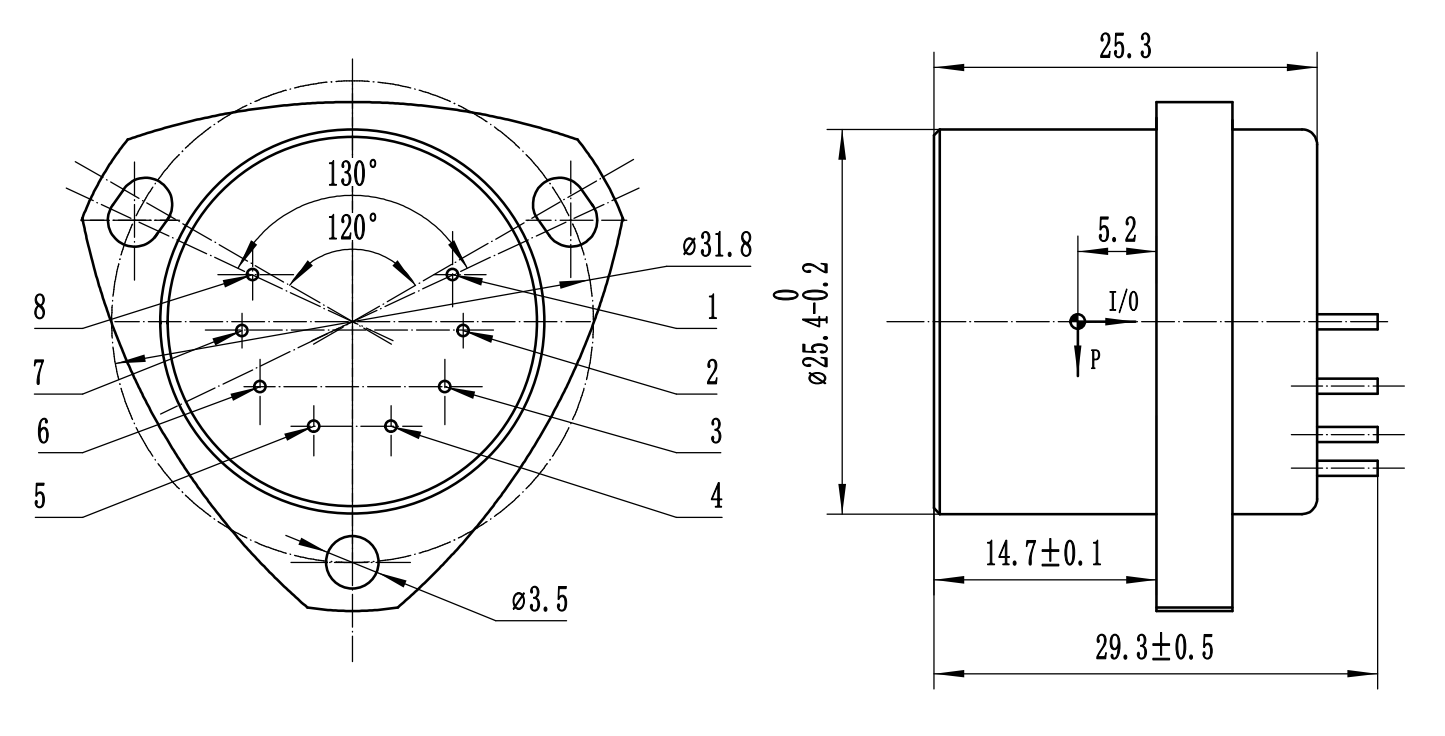
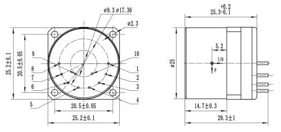
Configuration Drawing and interface


Mark: The temperature sensor is AD590; Point 10 is the high power. The point 9 is the low power. The point 9 and power ground use one platinum resistance; the value is 1K, the thermal coefficient is less than 5ppm.
Install hole is U type 
Install hole is U type, pin number is 8
The outline is square
Performance characteristics
| S/No | Parameters | KTJB1-01 | KTJB1-02 | KTJB1-03 |
| 1 | Range | ±50g、±60g、±70g | ±50g、±60g、±70g | ±50g、±60g、±70g |
| 2 | Threshold /Resolution | 5μg | 5μg | 5μg |
| 3 | Bias k0/k1 | ≤±3mg | ≤±3mg | ≤±5 mg |
| 4 | Scale factor kl | 1.0~1.30 mA/g | 1.0~1.30 mA/g | 1.0~1.30 mA/g |
| 5 | Class II nonlinearity coefficient k2/k1 | ≤±10μg /g2 | ≤±15μg /g2 | ≤±20μg /g2 |
| 6 | 0g 4 hours short time stability | ≤10 μg | ≤10μg | ≤10 μg |
| 7 | 1g 4 hours short time stability | ≤10 ppm | ≤10 ppm | ≤10 ppm |
| 8 | Bias drift Sigma k0( 1σ,one month) | ≤10 μg | ≤15μg | ≤25 μg |
| 9 | Repeatability of scale factor Sigma kl/kl( 1σ,one month) | ≤10ppm | ≤20 ppm | ≤30 ppm |
| 10 | Class II nonlinearity Coefficient repeatability k2/k1(1σ,one month) | ≤±10 μg /g2 | ≤±15 μg /g2 | ≤±20 μg /g2 |
| 11 | Bias thermal coefficient | ≤±10 μg /℃ | ≤±20 μg /℃ | ≤±30 μg /℃ |
| 12 | Scale factor thermal coefficient | ≤±10 ppm /℃ | ≤±30 ppm /℃ | ≤±50 ppm /℃ |
| 13 | Noise (sample resistance 840Ω) | ≤5mv | ≤8.4mv | ≤8.4mv |
| 14 | Natural Frequency | 400~800 Hz | 400~800 Hz | 400~800 Hz |
| 15 | Bandwidth | 800~2500 Hz | 800~2500 Hz | 800~2500 Hz |
| 16 | Vibration | 6g(20-2000Hz) | 6g(20-2000Hz) | 6g(20-2000Hz) |
| 17 | Shock | 100g,8ms,1/2sin | 100g,8ms,1/2sin | 100g,8ms,1/2sin |
| 18 | Temperature range(Operating) | -55~+85℃ | -55~+85℃ | -55~+85℃ |
| 19 | Temperature range(saved) | -60~+120℃ | -60~+120℃ | -60~+120℃ |
| 20 | Power | ±12~±15V | ±12~±15V | ±12~±15V |
| 21 | Consume current | ≤±20mA | ≤±20mA | ≤±20mA |
| 22 | Temp. sensor | Option | Option | Option |
| 23 | Size | Ф25.4X30mm | Ф25.4X30mm | Ф25.4X30mm |
| 24 | Weight | ≤80g | ≤80g | ≤80g |
DISCLAIMER: Specifications are subject to change without notice. kaituo reserves the right to make changes to any product or technology herein to improve reliability, function or design.