Compact size accelerometer
Industrial transducer Model 2107A
Features
• Light weight
• Compact size
• Hermetic seal
• Case isolated
• ESD protection
• Reverse wiring protection
Application
•Machine, wind turbine
Main characteristics:
1. Range(±g ):5,10,20,80,500
2.Sensitivity (mV/g):1000,500,250,100,10
3.Frequency Response(Hz,±3dB):0.5-10000
4.shock limit(±g):5000
5.Operating Temp(℃):-55-125
6.Weight(gram):55
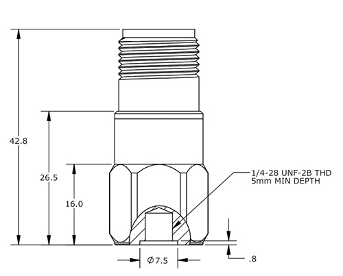
7.Dimensions(mm):18×18×43
8.Case material:Stainless Steel
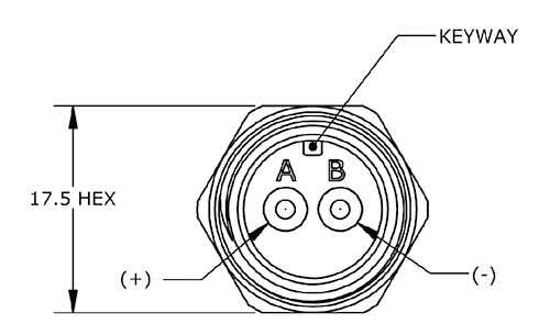
9.Output connector:2 pin MIL-C-5015

