Description
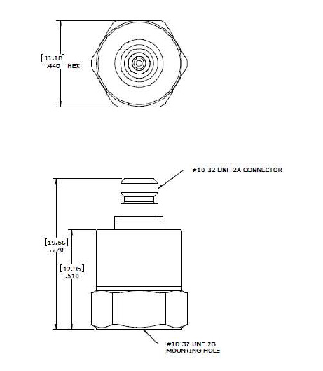
The Model 3101A is a small, hermetically sealed piezoelectric accelerometer with integral electronics,designed specifically for measuring vibration on small structures. The transducer features a hermetically sealed 10-32 top connector, and has a titanium hex base can be screw or adhesive mounted. Its light weight (8gm) effectively minimizes mass loading effects.
Features
•Miniature Size
•Adhesive or stud mounting
•Hermetic seal
•Annular shear mode
•Wide temperature range
Application
•Vibration monitoring
•Shock testing
•Road testing
•Modal analysis
•Aircraft testing
Single axial IEPE accelerometer:
1. Range(±g):50,100,500,1000
2.Sensitivity(mV/g):100,50,10,5
3.Frequency Response(Hz,±3dB):0.4-12000
4.shock limit(±g):5000
5.Operating Temp(℃):-50-125
6.Weight(gram):8
7.Dimensions(mm):11×11×20
8.Case material:Stainless Steel
9.Output connector:10-32
