Description
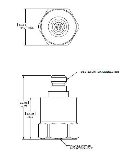
The Model 3101E is a small, hermetically sealed piezoelectric accelerometer with integral electronics,which features IEEE P1451.4 Transducer Electronic Data Sheet (TEDS)capabilities.This accelerometer designed specifically for measuring vibration on small structures. The transducer features a hermetically sealed 10-32 top connector, and has a titanium hex base can be screw or adhesive mounted. Its light weight (8gm) effectively minimizes mass loading effects.
Features
•Miniature Size
•Built-in IEEE P1451.4 TEDS
•Adhesive or stud mounting
•Hermetic seal
•Annular shear mode
•Wide temperature range
Application
•Vibration monitoring
•Shock testing
•Road testing
•Modal analysis
•Aircraft testing
Single axial IEPE accelerometer:
1. Range(±g):50,100,500,1000
2.Sensitivity(mV/g):100,50,10,5
3.Frequency Response(Hz,±3dB):0.4-12000
4.shock limit(±g):5000
5.Operating Temp(℃):-50-125
6.Weight(gram):8
7.Dimensions(mm):11×11×20
8.Case material:Stainless Steel
9.Output connector:10-32
