Bi-axial Low frequency accelerometer,With temperature output
Industrial transducer Model 2211T
Features
• Low frequency response
• Bi-axial output
• High sensitivity
• Temperature output
• Case isolated
• ESD protection
• Reverse wiring protection
• EMI / RFI shielded
Application
•Low frequency monitoring
Main characteristics:
1. Range(±g ):5,10,50
2.Sensitivity (mV/g):1000,500,100
3.Frequency Response(Hz,±3dB):0.1-5000
4.shock limit(±g):2000
5.Operating Temp(℃):-55-125
6.Weight(gram):250
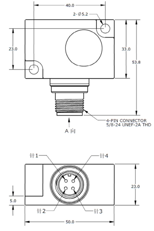
7.Dimensions(mm):55×50×25
8.Case material:Stainless Steel
9.Output connector:5 pin M12 connector
