Bi-axial Low frequency accelerometer,Lightning protection
Industrial transducer Model 2212A
Features
• Low frequency response
• Bi-axial output
• High sensitivity
• Hermetic seal
• Lightning protection
• ESD protection
• EMI / RFI shielded
Application
•Low frequency, tower swing
Main characteristics:
1. Range(±g ):5,10,50
2.Sensitivity (mV/g):1000,500,100
3.Frequency Response(Hz,±3dB):0.1-5000
4.shock limit(±g):2000
5.Operating Temp(℃):-55-125
6.Weight(gram):250
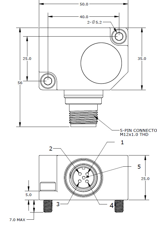
7.Dimensions(mm):55×50×25
8.Case material:Stainless Steel
9.Output connector:5 pin M12 connector
