Miniature Tri-axial IEPE accelerometer Model 4310A
Description
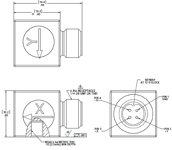
The model 4310A is a Miniature triaxial piezoelectric accelerometer with integral electronics, designed specifically for measuring vibration in three
orthogonal axes on small structures. The transducer features a hermetically sealed 4 pin 1/4-28 connector for output connection, and can be screw or adhesive
mounted. Its light weight (4 gm) effectively minimizes mass loading effects.
Features
•Tri-axial measurement
•Miniature cube
•Adhesive or stud mounting
•Hermetic seal
•Annular shear mode
•Wide temperature range
•Shock duration
Application
•Vibration monitoring
•Shock testing
•Road testing
•Modal analysis
•Aircraft testing
Tri-axial IEPE accelerometer:
1. Range(±g):50,100,500,2000
2.Sensitivity(mV/g):100,50,10,2.5
3.Frequency Response(Hz,±3dB):0.5-11000
4.shock limit(±g):5000
5.Operating Temp(℃):-50-125
6.Weight(gram):4.3
7.Dimensions(mm):14.9×10.2×10.2
8.Case material:Titanium alloy
9.Output connector:4 pin 1/4-28 connector
