Features
· ±10kg to ±100kg Range
· Environmentally Sealed
· mV Output
· Titanium Housing
· Hermetically Sealed
· Bolt Mounted
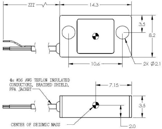
Shock & Impact Testing Accelerometer
MAIN SPECIFICATIONS:
1.Range(±g):20k,100k
2.Sensitivity(uV/g):5,1.5
3.Frequency Response(Hz,±1dB):0-100,000
4.shock limit(±g):100,000
5.Operating Temp(℃):-50到120
6.Weight(g):2
7.Dimensions(mm):φ2.1×2
8.Case material: Titanium
9.Output connector:Integral cable
