Your Source for Quality Products

Powering Innovation Trailblazing Tech

MEMS ACCELEROMETER

MEMS ACCELEROMETER CAPACITANCE VC5123A
MEMS ACCELEROMETER CAPACITANCE VC5123A

MEMS ACCELEROMETER CAPACITANCE VC5123A

Low cost

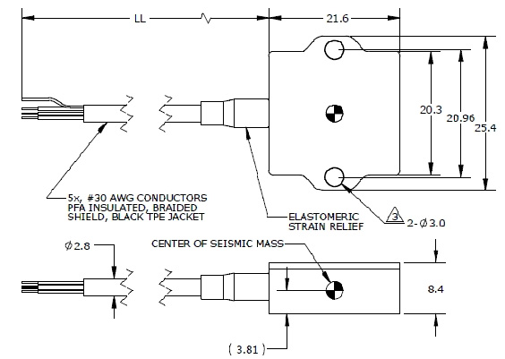
Variable capacitance accelerometer Model 5123A

Description

The Model 5123A is a low cost solution to low-level, low frequency measurements.

Features

• DC response

• 2 to 500g full scale

• Motion, low frequency, tilt

• 5K g shock survivability

• Temperature compensation

Application

• Automotive road test

• High speed train

• Maglev dynamic position

• Suspension monitoring

• Aircraft testing

• Static acceleration

• Transmission test

Main  characteristics

1. Range(±g):2,5,10,50,200,500

2.Sensitivity(mV/g):1000,400,200,,40,10,4

3.Frequency Response(Hz,±5%):0-1500

4.shock limit(±g):5000

5.Operating Temp(℃):-40-85

6.Weight(gram):6

7.Dimensions(mm):26×22×8

8.Case material:Anodized aluminum

9.Output connector:integrated cable






MEMS Accelerometer capacitance VC5123A

MEMS Accelerometer capacitance VC5123A



Integrated Circuits

We always adhere to the excellent quality of electronic components, put an end to all the fake and shoddy products