Tri-axial measurement
Variable capacitance accelerometer Model 5320A
Features
• Triaxial measurement
• DC response
• 2 to 200 g full scale
• Motion, low frequency, tilt
• 6K g shock survivability
• Temperature compensation
Application
• Flight testing
Main characteristics:
1. Range(±g):2,5,10,50,200
2.Sensitivity(mV/g):1000,400,200,,40,10
3.Frequency Response(Hz,±5%):0-1000
4.shock limit(±g):6000
5.Operating Temp(℃):-40-85
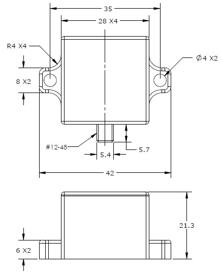
6.Weight(gram):40
7.Dimensions(mm):28×28×23
8.Case material:Anodized aluminum
9.Output connector:5 pin
