7110A — это пьезорезистивный акселерометр с очень малой массой, весящий всего 2 грамма. Этот акселерометр предназначен для краш-тестов, испытаний на флаттер, испытаний на неровной дороге и аналогичных приложений, требующих минимальной нагрузки массы и широкой частотной характеристики.
Особенности
• Водонепроницаемый
• Реакция на постоянный ток
• Полная шкала от 50 до 2000 г
• Ударопрочность, низкая и высокая частота
• Устойчивость к ударам 6 кГ
• Легкий вес
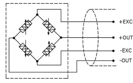
Полный мостовой пьезорезистивный акселерометр
ОСНОВНЫЕ ХАРАКТЕРИСТИКИ:
1. Диапазон (±g): 100, 500, 2000
2. Чувствительность (мВ/g): 0,9, 0,4, 0,15
3. Частотная характеристика (Гц, ±5%): 0-3000
4. Предел ударопрочности (±g): 5000
5. Рабочая температура (℃): -20-85
6. Вес (г): 2,1
7. Размеры (мм): 15×9×8 (без кабеля)
8. Материал корпуса: анодированный алюминий
9. Выходной разъем: встроенный кабель
