Трехосное измерение
Акселерометр переменной емкости Модель 5323A
Характеристики
• Статический отклик
• Полная шкала от 2 до 200 г
• Движение, низкая частота, наклон
• Устойчивость к ударам 5 кГ
• Температурная компенсация
Применение
• Летные испытания, самолеты
Основные характеристики :
1. Диапазон (±g): 2, 5, 10, 50
, 200 2. Чувствительность (мВ/g): 1000, 400, 200, 40, 10
3. Частотная характеристика (Гц, ±5%): 0-1000
4. Предел удара (±g): 6000
5. Рабочая температура (℃): -40-85
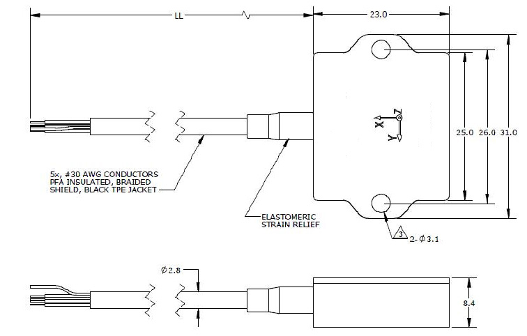
6. Вес (грамм): 15
7. Размеры (мм): 31×23×8
8. Материал корпуса: анодированный алюминий
9. Выходной разъем: встроенный кабель
