Ваш источник качественной продукции

Инновации, ведущие к передовым технологиям

МЭМС АКСЕЛЕРОМЕТР

ЕМКОСТЬ АКСЕЛЕРОМЕТРА MEMS VC5123A
ЕМКОСТЬ АКСЕЛЕРОМЕТРА MEMS VC5123A

ЕМКОСТЬ АКСЕЛЕРОМЕТРА MEMS VC5123A

Бюджетный

Акселерометр переменной емкости Модель 5123A

Описание

Модель 5123A — это недорогое решение для низкоуровневых и низкочастотных измерений.

Функции

• Реакция постоянного тока

• От 2 до 500 г полной шкалы

• Движение, низкая частота, наклон

• Устойчивость к ударам 5K g

• Температурная компенсация

Приложение

• Автомобильный дорожный тест

• Скоростной поезд

• Динамическое положение магнитной подвески

• Мониторинг подвески

• Испытания самолетов

• Статическое ускорение

• Тест трансмиссии

Основные характеристики :

1. Диапазон (±g): 2, 5, 10, 50, 200, 500

2. Чувствительность (мВ/г): 1000, 400, 200, 40, 10, 4

3. Частотная характеристика (Гц, ±5%): 0-1500

4. Предел удара (±g): 5000

5. Рабочая температура (℃): -40-85

6.Вес (грамм): 6

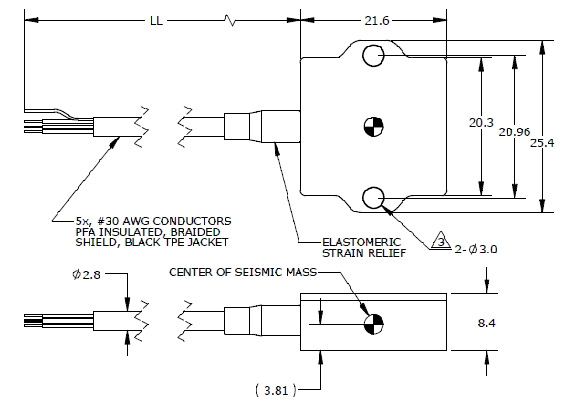
7.Размеры (мм): 26×22×8

8.Материал корпуса: анодированный алюминий

9.Выходной разъем: встроенный кабель






Емкость акселерометра MEMS VC5123A

Емкость акселерометра MEMS VC5123A



ИНТЕГРАЛЬНЫЕ СХЕМЫ

мы всегда придерживаемся превосходного качества электронных компонентов, положили конец всем поддельным и халтурным продуктам