O acelerômetro flexível de quartzo da série KT-JB5 é um acelerômetro de precisão de nível médio com design de tamanho estrutural exclusivo (curto). O produto tem excelente estabilidade de longo prazo, repetibilidade, desempenho de resposta dinâmica, boa resistência à vibração e ao impacto e alta confiabilidade. Pode ser usado para testes estáticos e dinâmicos e também é um sensor de vibração padrão e sensor de inclinação.
O produto adota um design estrutural exclusivo e circuito especial, a corrente de saída do produto e a força ou aceleração são relações lineares, os usuários podem escolher a resistência de amostragem apropriada por meio de cálculo, para obter saída de alta precisão. E de acordo com as necessidades do usuário, sensor de temperatura integrado, usado para compensar o valor e a compensação do fator de escala, reduzir o impacto da temperatura ambiental.
Aplicações: ponte, barragem, poço de petróleo, teste de mergulho em mina de carvão, controle ferroviário de alta velocidade, controle de estabilidade de navios.
Características:
1. Desempenho de nível de navegação tática
2. Saída analógica
3. Faixa de ajuste de campo
4. O tamanho é menor 
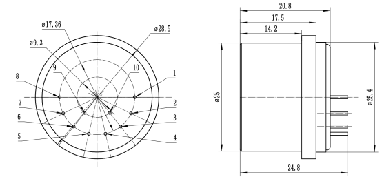
Um desenho de contorno de tipo

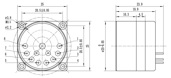
Desenho de contorno tipo B

Desenho de contorno tipo C
Nome do pino: 1, saída de sinal; 2, N; 3. -15 V; 4. +15 V; 5, fonte de alimentação e aterramento do sinal; 6, N; 7, N; 8, N; 9, saída de -9 V; 10. Características de desempenho
de saída de +9 V
| S/Não | Parâmetros | KT-JB5-01 | KT-JB5-02 | KT-JB5-03 |
| 1 | Faixa | ±50g | ±50g | ±50g |
| 2 | Limiar/Resolução | <5µg | <5µg | <5µg |
| 3 | Viés k0/k1 | <5mg | <7mg | <10mg |
| 4 | Fator de escala kl | 1,1 a 1,3 mA/g | 1,1 a 1,3 mA/g | 1,1 a 1,3 mA/g |
| 5 | Coeficiente de não linearidade de classe II k2/k1 | ≤±20μg/g2 | ≤±20μg/g2 | ≤±20μg/g2 |
| 6 | Desvio de polarização Sigma k0( 1σ, um mês) | <30µg | <50µg | <80µg |
| 7 | repetibilidade do fator de escala Sigma kl/kl( 1σ,um mês) | <50 ppm | <80 ppm | <100 ppm |
| 8 | Classe II não linearidade Coeficiente de repetibilidade k2/k1(1σ,um mês) | ≤±20 μg/g2 | ≤±20 μg/g2 | ≤±20 μg/g2 |
| 9 | Coeficiente térmico de polarização | <20µg/℃ | <30µg/℃ | <40µg/℃ |
| 10 | Fator de escala coeficiente térmico | <40 ppm | <50 ppm | <80 ppm |
| 11 | Ruído (resistência da amostra 840Ω) | ≤5mV | ≤5mV | ≤5mV |
| 12 | Largura de banda | >300 Hz | >300 Hz | >300 Hz |
| 13 | Retificação de vibração | <30µg/g2rms (50-500Hz) | <30µg/g2rms (50-500Hz) | <30µg/g2rms (50-500Hz) |
| 14 | Vibração | 20g@20-2000Hz | 20g@20-2000Hz | 20g@20-2000Hz |
| 15 | Choque | 250g 4,5ms | 250g 4,5ms | 250g 4,5ms |
| 16 | Erro de instalação | <1500µrad | <1500µrad | <1500µrad |
| 17 | Faixa de temperatura (Operacional) | -55~96℃ | -55~96℃ | -55~96℃ |
| 18 | Poder | ±13 ~±18 V | ±13 ~±18 V | ±13 ~±18 V |
| 19 | Consumir corrente | <20 mA | <20 mA | <20 mA |
| 20 | Sensor de temperatura | Opção | Opção | Opção |
| 21 | Tamanho | Ф25X25mm | Ф25,3X23mm | Ф25X24mm |
| 22 | Peso | ≤55g | ≤55g | ≤55g |
| 23 | Sensor de temperatura (AD590LF) | Opção | Opção | Opção |
AVISO LEGAL: As especificações estão sujeitas a alterações sem aviso prévio. A kaituo reserva-se o direito de fazer alterações em qualquer produto ou tecnologia aqui contida para melhorar a confiabilidade, a função ou o design.