O acelerômetro flexível de quartzo da série KTJB2 é um acelerômetro de nível de navegação inercial de alta precisão para um grande número de aplicações militares (até 100g). O produto tem excelente estabilidade de longo prazo, repetibilidade, desempenho de inicialização, adaptabilidade ambiental e alta confiabilidade, que pode ser usado para teste estático ou teste dinâmico. É também um sensor de vibração padrão e sensor de inclinação.
A corrente de saída do produto tem uma relação linear com a força ou aceleração recebida. Os usuários podem selecionar a resistência de amostragem apropriada por meio de cálculo para obter uma saída de alta precisão. E de acordo com as necessidades do usuário, o sensor de temperatura integrado, usado para compensar o valor e a compensação do fator de escala, reduz o impacto da temperatura ambiental.
Aplicações: medição inercial do sistema de navegação inercial militar de alta precisão em aeroespacial, aviação, navios, armas e outros campos e teste de isolamento de vibração de equipamentos de instrumentos de precisão e teste de inclinação.
Características
1. Excelente desempenho de repetibilidade de ativação
2. Ambientalmente robusto
3. Saída analógica
4. Faixa ajustável em campo
5. Sensor de temperatura interno para compensação térmica (opcional)
6. Faixa alta (100g) Desenho
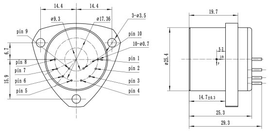
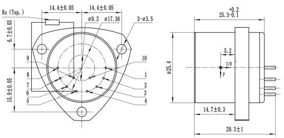
de configuração

e interface Marca: O sensor de temperatura é AD590; O ponto 10 é a alta potência. O ponto 9 é a baixa potência. O ponto 9 e o aterramento de energia usam uma resistência de platina; o valor é 1K, o coeficiente térmico é menor que 5 ppm. Características
de desempenho
| S/Não | Parâmetros | KT JB2-01 | KT JB2-02 | KT JB2-03 |
| 1 | Faixa | ±70g、±100g | ±70g、±100g | ±70g、±100g |
| 2 | Limiar/Resolução | 5μg | 5μg | 5μg |
| 3 | Viés k0/k1 | ≤±3 mg | ≤±3 mg | ≤±5 mg |
| 4 | Fator de escala kl | 0,8~1,2 mA/g | 0,8~1,2 mA/g | 0,8~1,2 mA/g |
| 5 | Coeficiente de não linearidade de classe II k2/k1 | ≤±10μg /g2 | ≤±15μg/g2 | ≤±20μg/g2 |
| 6 | 0g 4 horas de estabilidade de curto prazo | ≤10 μg | ≤10μg | ≤10 μg |
| 7 | 1g 4 horas de estabilidade de curto prazo | ≤10 ppm | ≤10 ppm | ≤10 ppm |
| 8 | Desvio de polarização Sigma k0( 1σ, um mês) | ≤10 μg | ≤15 μg | ≤25 μg |
| 9 | repetibilidade do fator de escala Sigma kl/kl( 1σ,um mês) | ≤15 ppm | ≤20 ppm | ≤30 ppm |
| 10 | Classe II não linearidade Coeficiente de repetibilidade k2/k1(1σ,um mês) | ≤±10 μg/g2 | ≤±10 μg/g2 | ≤±10 μg/g2 |
| 11 | Coeficiente térmico de polarização | ≤±10 μg /℃ | ≤±20 μg /℃ | ≤±30 μg /℃ |
| 12 | Fator de escala coeficiente térmico | ≤±20 ppm /℃ | ≤±30 ppm /℃ | ≤±50 ppm /℃ |
| 13 | Ruído (resistência da amostra 840Ω) | ≤5mV | ≤5mV | ≤5mV |
| 14 | Frequência Natural | 400~800 Hz | 400~800 Hz | 400~800 Hz |
| 15 | Largura de banda | 800~2500 Hz | 800~2500 Hz | 800~2500 Hz |
| 16 | Vibração | 6g (20-2000Hz) | 6g (20-2000Hz) | 6g (20-2000Hz) |
| 17 | Choque | 100g,8ms,1/2sin | 100g,8ms,1/2sin | 100g,8ms,1/2sin |
| 18 | Faixa de temperatura (Operacional) | -55~+85℃ | -55~+85℃ | -55~+85℃ |
| 19 | Faixa de temperatura (salvo) | -60~+120℃ | -60~+120℃ | 60~+120℃ |
| 20 | Poder | ±12~±15V | ±12~±15V | ±12~±15V |
| 21 | Consumir corrente | ≤±20mA | ≤±20mA | ≤±20mA |
| 22 | Sensor de temperatura | Opção | Opção | Opção |
| 23 | Tamanho | Ф25,4X30mm | Ф25,4X30mm | Ф25,4X30mm |
| 24 | Peso | ≤80g | ≤80g | ≤80g |
AVISO LEGAL: As especificações estão sujeitas a alterações sem aviso prévio. A kaituo reserva-se o direito de fazer alterações em qualquer produto ou tecnologia aqui contida para melhorar a confiabilidade, a função ou o design.