O acelerômetro flexível de quartzo da série KT-JB3 é um acelerômetro de classe de navegação inercial miniaturizado e de alta precisão para um grande número de aplicações militares. O produto tem excelente estabilidade de longo prazo, repetibilidade, desempenho de inicialização, adaptabilidade ambiental e alta confiabilidade, que pode ser usado para testes estáticos e dinâmicos. É também um sensor de vibração padrão e sensor de inclinação.
O produto adota um design miniaturizado exclusivo e processo de embalagem, a corrente de saída e a força ou aceleração são relações lineares, os usuários podem calcular e selecionar a resistência de amostragem apropriada, para atingir uma saída de alta precisão. E de acordo com as necessidades do usuário, sensor de temperatura integrado, usado para compensar o valor e a compensação do fator de escala, reduz o impacto da temperatura ambiental.
Aplicações: medição inercial de sistema de navegação inercial militar em aeroespacial, aviação, navios, armas e outros campos e teste de isolamento de vibração e inclinação de equipamentos de instrumentos de precisão.
Características
1. Excelente desempenho de repetibilidade de ativação
2. Ambientalmente robusto
3. Saída analógica
4. Faixa ajustável em campo
5. Tamanho de contorno menor (£ 30 gramas)
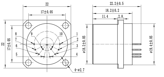
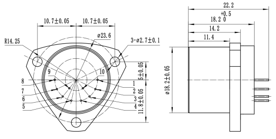
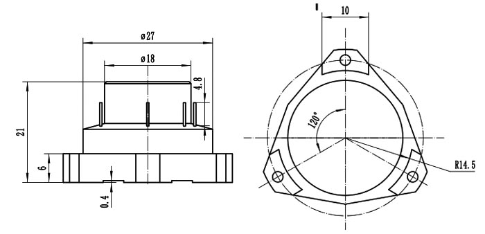
Desenho de configuração e interface

Esboço 1 para quadrado

Esboço 2 para triângulo

Esboço3 para triângulo invertido
Características de desempenho
| S/Não | Parâmetros | JB3-01 | JB3-02 | JB3-03 |
| 1 | Faixa | ±60g | ±60g | ±70g、 ±100g |
| 2 | Limiar/Resolução | 5μg | 5μg | 5μg |
| 3 | Viés k0/k1 | ≤(±5 mg) | ≤(±5 mg) | ≤(±5 mg) |
| 4 | Fator de escala kl | 1,0 ± 0,2 mA/g | 1,0 ± 0,2 mA/g | 0,6 ± 0,2 mA/g |
| 5 | Coeficiente de não linearidade de classe II k2/k1 | ≤±20μg/g2 | ≤±30μg/g2 | ≤±20μg/g2 |
| 6 | 0g 4 horas de estabilidade de curto prazo | ≤10 μg | ≤20 μg | ≤20 μg |
| 7 | 1g 4 horas de estabilidade de curto prazo | ≤10 ppm | ≤20 ppm | ≤20 ppm |
| 8 | Desvio de polarização Sigma k0( 1σ, um mês) | ≤15 μg | ≤50 μg | ≤50 μg |
| 9 | Repetibilidade do fator de escala Sigma kl/kl( 1σ,um mês) | ≤15 ppm | ≤50 ppm | ≤50 ppm |
| 10 | Classe II não linearidade Coeficiente de repetibilidade k2/k1(1σ,um mês) | ≤±20 μg/g2 | ≤±30 μg/g2 | ≤±30 μg/g2 |
| 11 | Coeficiente térmico de polarização | ≤±15 μg /℃ | ≤±50 μg /℃ | ≤±50 μg /℃ |
| 12 | Fator de escala coeficiente térmico | ≤±15 ppm /℃ | ≤±80 ppm /℃ | ≤±50 ppm /℃ |
| 13 | Ruído (resistência da amostra 840Ω) | ≤5mV | ≤8,4 mv | ≤8,4 mv |
| 14 | Frequência Natural | 350~800 Hz | 350~800 Hz | 350~800 Hz |
| 15 | Largura de banda | 800~2500 Hz | 800~2500 Hz | 800~2500 Hz |
| 16 | Vibração | 10g (20-2000Hz) | 10g (20-2000Hz) | 10g (20-2000Hz) |
| 17 | Choque | 150g,4,5ms, 1/2sin | 150g,4,5ms, 1/2sin | 150g,0,5ms, 1/2sin |
| 18 | Faixa de temperatura (Operacional) | -55-+85℃ | -55-+85℃ | -55-+85℃ |
| 19 | Faixa de temperatura (salvo) | -60-+120℃ | -60-+120℃ | -60-+120℃ |
| 20 | Poder | ±12~±15V | ±12~±15V | ±12~±15V |
| 21 | Consumir corrente | £±20mA | £±20mA | £±20mA |
| 22 | Sensor de temperatura | Opção | Opção | Opção |
| 23 | Tamanho | Ф18,2X23mm | Ф18,2X23mm | Ф18,2X23mm |
| 24 | Peso | £30 gramas | £30 gramas | £30 gramas |
AVISO LEGAL: As especificações estão sujeitas a alterações sem aviso prévio. A kaituo reserva-se o direito de fazer alterações em qualquer produto ou tecnologia aqui contida para melhorar a confiabilidade, a função ou o design.