Гибкий кварцевый акселерометр серии KT-JB5 — это прецизионный акселерометр среднего класса с уникальным структурным размером (коротким) дизайном. Продукт обладает отличной долговременной стабильностью, повторяемостью, динамическими характеристиками отклика, хорошей устойчивостью к вибрации и ударам и высокой надежностью. Его можно использовать для статических и динамических испытаний, а также в качестве стандартного датчика вибрации и датчика наклона.
Продукт имеет уникальную структурную конструкцию и специальную схему, выходной ток продукта и сила или ускорение являются линейными отношениями, пользователи могут выбрать соответствующее сопротивление выборки с помощью расчета, чтобы добиться высокоточного выходного сигнала. И в соответствии с потребностями пользователя встроенный датчик температуры, используемый для компенсации значения и масштабного коэффициента, снижает влияние температуры окружающей среды.
Области применения: мосты, плотины, нефтяные скважины, испытания на погружение угольных шахт, управление высокоскоростной железной дорогой, контроль устойчивости судна.
Особенности:
1. Тактическая навигационная производительность
2. Аналоговый выход
3. Диапазон регулировки поля
4. Меньший размер 
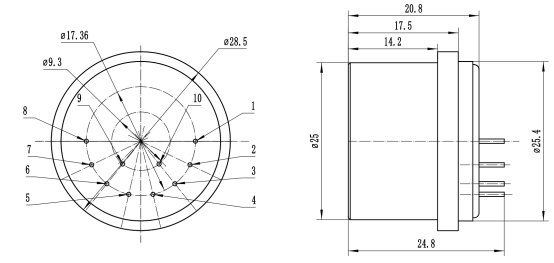
Типовой контурный рисунок

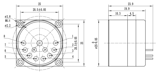
Контурный чертеж типа B

Контурный чертеж типа С
Название вывода: 1, выход сигнала; 2, N; 3. -15 В; 4. +15 В; 5, питание и заземление сигнала; 6, N; 7, N; 8, N; 9, выход -9 В; 10. выход +9 В Характеристики
производительности
| Серийный номер | Параметры | КТ-JB5-01 | КТ-JB5-02 | КТ-JB5-03 |
| 1 | Диапазон | ±50г | ±50г | ±50г |
| 2 | Порог/Разрешение | <5мкг | <5мкг | <5мкг |
| 3 | Смещение k0/k1 | <5мг | <7мг | <10мг |
| 4 | Коэффициент масштабирования kl | 1,1~1,3 мА/г | 1,1~1,3 мА/г | 1,1~1,3 мА/г |
| 5 | Коэффициент нелинейности II класса k2/k1 | ≤±20 мкг/г2 | ≤±20 мкг/г2 | ≤±20 мкг/г2 |
| 6 | Дрейф смещения Sigma k0( 1σ, один месяц) | <30мкг | <50 мкг | <80 мкг |
| 7 | Повторяемость масштабного коэффициента Sigma kl/kl( 1σ,один месяц) | <50 частей на миллион | <80 частей на миллион | <100 частей на миллион |
| 8 | Нелинейность класса II Коэффициент повторяемости k2/k1(1σ,один месяц) | ≤±20 мкг/г2 | ≤±20 мкг/г2 | ≤±20 мкг/г2 |
| 9 | Коэффициент термического смещения | <20 мкг/℃ | <30 мкг/℃ | <40 мкг/℃ |
| 10 | Коэффициент масштабирования тепловой коэффициент | <40 частей на миллион | <50 частей на миллион | <80 частей на миллион |
| 11 | Шум (сопротивление образца 840 Ом) | ≤5мВ | ≤5мВ | ≤5мВ |
| 12 | Пропускная способность | >300 Гц | >300 Гц | >300 Гц |
| 13 | Устранение вибрации | <30 мкг/г2rms (50-500 Гц) | <30 мкг/г2rms (50-500 Гц) | <30 мкг/г2rms (50-500 Гц) |
| 14 | Вибрация | 20g@20-2000Гц | 20g@20-2000Гц | 20g@20-2000Гц |
| 15 | Шок | 250г 4.5мс | 250г 4.5мс | 250г 4.5мс |
| 16 | Ошибка установки | <1500 мкрад | <1500 мкрад | <1500 мкрад |
| 17 | Диапазон температур (рабочий) | -55~96℃ | -55~96℃ | -55~96℃ |
| 18 | Власть | ±13 ~±18В | ±13 ~±18В | ±13 ~±18В |
| 19 | Потребляйте ток | <20 мА | <20 мА | <20 мА |
| 20 | Датчик температуры | Вариант | Вариант | Вариант |
| 21 | Размер | Ф25X25мм | Ф25.3X23мм | Ф25X24мм |
| 22 | Масса | ≤55г | ≤55г | ≤55г |
| 23 | Датчик температуры (AD590LF) | Вариант | Вариант | Вариант |
ОТКАЗ ОТ ОТВЕТСТВЕННОСТИ: Технические характеристики могут быть изменены без предварительного уведомления. kaituo оставляет за собой право вносить изменения в любой продукт или технологию, представленные здесь, для улучшения надежности, функциональности или дизайна.