Серия кварцевых гибких акселерометров — это высокоточный инерциальный навигационный акселерометр с превосходной долговременной стабильностью, повторяемостью, пусковыми характеристиками, адаптивностью к окружающей среде и высокой надежностью. Его можно использовать как для статических, так и для динамических испытаний, а также в качестве стандартного датчика вибрации и датчика наклона.
Выходной ток продукта имеет линейную зависимость от полученной силы или ускорения. Пользователи могут выбрать соответствующее сопротивление выборки с помощью расчета для достижения высокоточного выходного сигнала. И в соответствии с потребностями пользователя встроенный датчик температуры, используемый для компенсации значения и масштабного коэффициента, снижает влияние температуры окружающей среды.
Применение: инерциальное измерение высокоточной инерциальной навигационной системы и испытание виброизоляции прецизионных приборов и оборудования на судах и в других областях.
Особенности
1. Отличные характеристики повторяемости включения
2. Экологически прочный
3. Аналоговый выход
4. Диапазон регулировки в полевых условиях
5. Трехточечный монтажный фланец с прецизионным креплением
6. Внутренний датчик температуры для тепловой компенсации (опция)
7. Для масштабного коэффициента мы можем настроить для вас.
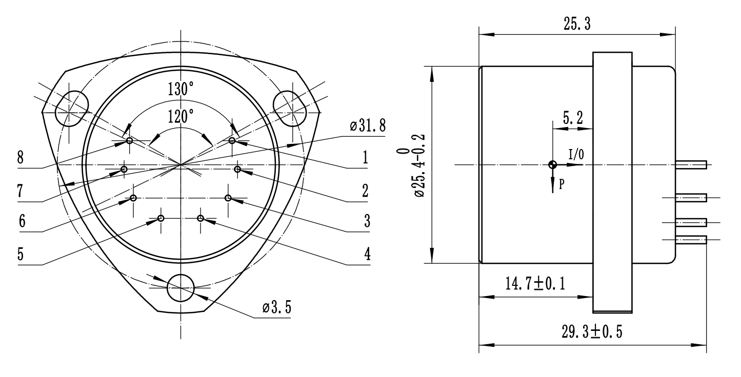
Чертеж конфигурации и интерфейс

Марк : Датчик температуры — AD590 ; Точка 10 — высокая мощность. Точка 9 — низкая мощность. Точка 9 и заземление питания используют одно платиновое сопротивление; значение составляет 1 К, тепловой коэффициент менее 5 ppm.
Монтажное отверстие имеет U-образную форму. 
Монтажное отверстие имеет U-образную форму, количество контактов — 8.
Контур — квадратный.
Эксплуатационные характеристики
| Серийный номер | Параметры | КТ JB1-01 | КТ JB1-02 | КТ JB1-03 |
| 1 | Диапазон | ±50г、±60г、±70г | ±50г、±60г、±70г | ±50г、±60г、±70г |
| 2 | Порог/Разрешение | 5мкг | 5мкг | 5мкг |
| 3 | Смещение k0/k1 | ≤±3мг | ≤±3мг | ≤±5 мг |
| 4 | Коэффициент масштабирования kl | 1,0~1,30 мА/г | 1,0~1,30 мА/г | 1,0~1,30 мА/г |
| 5 | Коэффициент нелинейности II класса k2/k1 | ≤±10 мкг/г2 | ≤±15 мкг/г2 | ≤±20 мкг/г2 |
| 6 | 0g 4 часа кратковременной стабильности | ≤10 мкг | ≤10 мкг | ≤10 мкг |
| 7 | 1 г 4 часа кратковременной стабильности | ≤10 частей на миллион | ≤10 частей на миллион | ≤10 частей на миллион |
| 8 | Дрейф смещения Sigma k0( 1σ, один месяц) | ≤10 мкг | ≤15 мкг | ≤25 мкг |
| 9 | Повторяемость масштабного коэффициента Sigma kl/kl (1σ,один месяц) | ≤10 частей на миллион | ≤20 частей на миллион | ≤30 частей на миллион |
| 10 | Нелинейность класса II Коэффициент повторяемости k2/k1(1σ,один месяц) | ≤±10 мкг/г2 | ≤±15 мкг/г2 | ≤±20 мкг/г2 |
| 11 | Коэффициент термического смещения | ≤±10 мкг/℃ | ≤±20 мкг/℃ | ≤±30 мкг/℃ |
| 12 | Коэффициент масштабирования тепловой коэффициент | ≤±10 частей на миллион/℃ | ≤±30 частей на миллион/℃ | ≤±50 частей на миллион/℃ |
| 13 | Шум (сопротивление образца 840 Ом) | ≤5мВ | ≤8,4мВ | ≤8,4мВ |
| 14 | Собственная частота | 400~800 Гц | 400~800 Гц | 400~800 Гц |
| 15 | Пропускная способность | 800~2500 Гц | 800~2500 Гц | 800~2500 Гц |
| 16 | Вибрация | 6g(20-2000Гц) | 6g(20-2000Гц) | 6g(20-2000Гц) |
| 17 | Шок | 100 г, 8 мс, 1/2 sin | 100 г, 8 мс, 1/2 sin | 100 г, 8 мс, 1/2 sin |
| 18 | Диапазон температур (рабочий) | -55~+85℃ | -55~+85℃ | -55~+85℃ |
| 19 | Диапазон температур(сохранен) | -60~+120℃ | -60~+120℃ | -60~+120℃ |
| 20 | Власть | ±12~±15В | ±12~±15В | ±12~±15В |
| 21 | Потребляйте ток | ≤±20мА | ≤±20мА | ≤±20мА |
| 22 | Датчик температуры | Вариант | Вариант | Вариант |
| 23 | Размер | Ф25.4X30мм | Ф25.4X30мм | Ф25.4X30мм |
| 24 | Масса | ≤80г | ≤80г | ≤80г |
ОТКАЗ ОТ ОТВЕТСТВЕННОСТИ: Технические характеристики могут быть изменены без предварительного уведомления. kaituo оставляет за собой право вносить изменения в любой продукт или технологию, представленные здесь, для улучшения надежности, функциональности или дизайна.