Гибкий кварцевый акселерометр серии KT-JB 4 — это высокотемпературный и антивибрационный акселерометр, продукт обладает отличной повторяемостью, пусковыми характеристиками, характеристиками высокой температуры и высокой надежности, его можно использовать для статических и динамических испытаний, он также является стандартным датчиком вибрации.
Продукты используют уникальную высокотемпературную конструкцию, процесс упаковки и специальную схему, выходной ток продукта пропорционален измеренному ускорению, пользователь может рассчитать соответствующее сопротивление выборки, добиться высокоточного выходного сигнала и в соответствии с требованиями пользователя встроенный датчик температуры, используемый для компенсации частичного значения и масштабного коэффициента, снижает влияние температуры окружающей среды. Продукты серий QA 650, T185, T160, JAE можно заменять на месте, но мы применяем структуру двойного крутящего момента, она отличается от продуктов других компаний. Мы можем сделать значение смещения акселерометра и масштабный коэффициент более стабильными, он запущен с 2010 года, этот продукт поставил тысячи продуктов. После многих лет применения он стал зрелым продуктом, особенно широко применяемым в измерениях при бурении нефтяных скважин.
Области применения: испытание наклона мостов, плотин, нефтяных скважин, угольных шахт и т. д., управление высокоскоростными железными дорогами, контроль остойчивости судов и т. д.

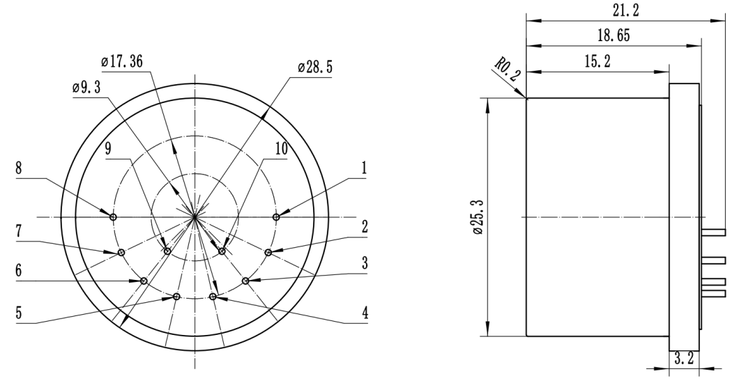
JB4-01 внешний чертеж

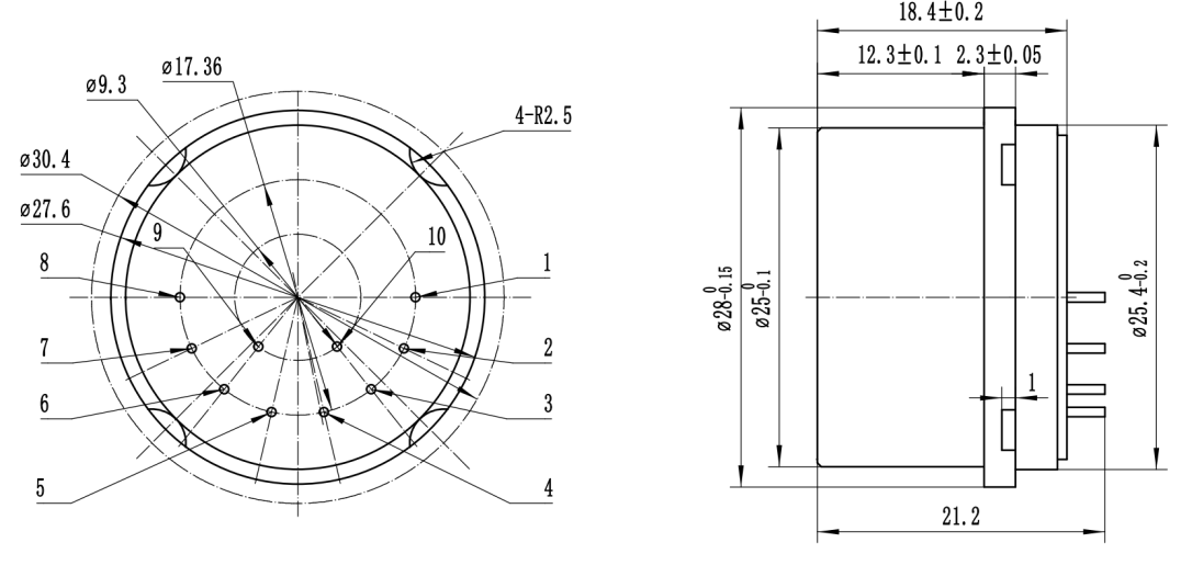
Внешний вид JB4-02 A и JB4-03 A

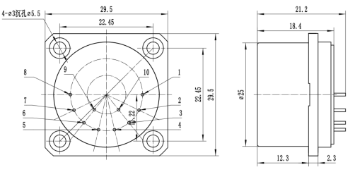
JB4-02 B и JB4-03 B внешний чертеж

(тип В 1)

(тип В 2)
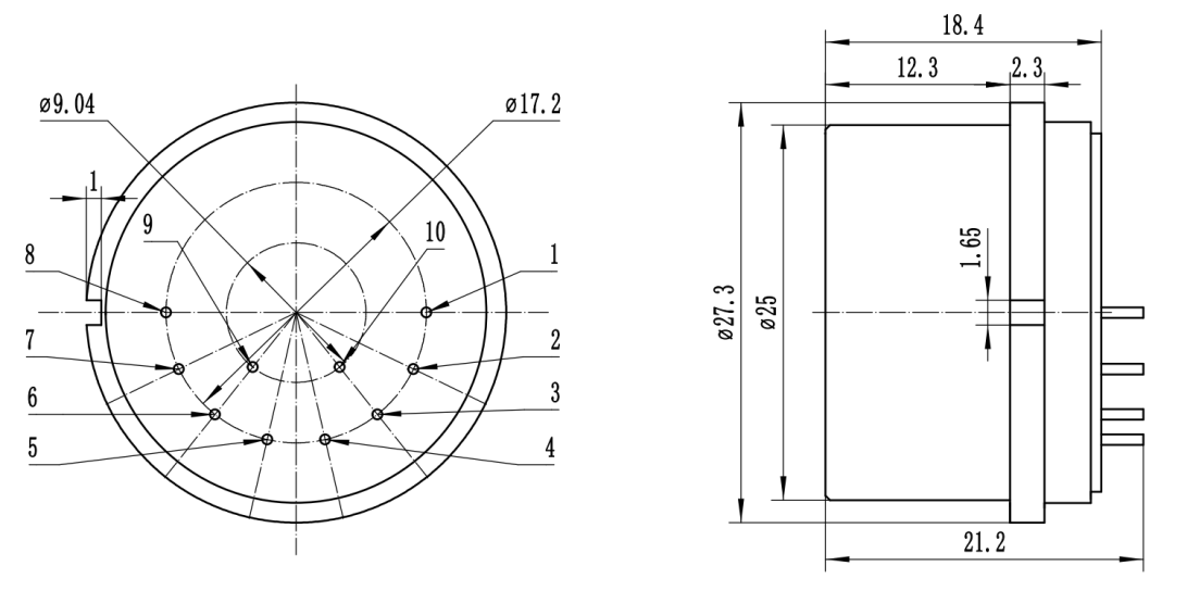
Внешний вид JB4-02 C и JB4-03 C

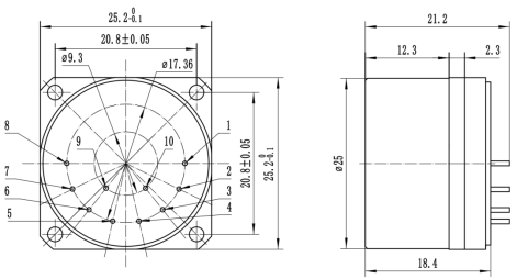
Внешний вид JB4-02 D и JB4-03 D

Эксплуатационные характеристики
| Серийный номер | Параметры | ЖБ4-01 | ЖБ4-02 | JB4-03 |
| 1 | Диапазон ввода (г) | ±30г | ±30г | ±30г |
| 2 | Смещение (мг) | <10мг | <15мг | <15мг |
| 3 | Составная повторяемость за один месяц (мкг) | <50 мкг | <200 мкг | <200 мкг |
| 4 | Температурная чувствительность (мкг/℃) | <50 мкг/℃ | <100 мкг/℃ | <100 мкг/℃ |
| 5 | Масштабный коэффициент (мА/г) | 1,1~1,3 мА/г | 1,1~1,3 мА/г | 1,1~1,3мА/г |
| 6 | Композитный показатель за один месяц, повторяемость (ppm) | <80 частей на миллион | <150 частей на миллион | <150 частей на миллион |
| 7 | Температурная чувствительность (ppm) | <100 частей на миллион | <200 частей на миллион | <200 частей на миллион |
| 8 | Смещение осей (мкрад) | <1500 мкрад | <1500 мкрад | <1500 мкрад |
| 9 | Выпрямление вибрации (мкг/г2rms) | <30 мкг/г 2rms (50-500 Гц) | <100 мкг/г 2rms (50-500 Гц) | <100 мкг/г 2rms (50-500 Гц) |
| 10 | Собственный шум (мкг-СКЗ) | <3000 мкг-СКЗ (0-10000 Гц) | <3000 мкг-СКЗ (0-10000 Гц) | <3000 мкг-СКЗ (0-10000 Гц) |
| 11 | Диапазон рабочих температур (℃) | -55~96℃ | -55~155℃ | -55~180℃ |
| 12 | Удар (г) | 500 г 0,5 мс | 1000 г 0,5 мс | 1000 г 0,5 мс |
| 13 | Пиковая синусоида вибрации (g) | 25 г при 30-500 Гц | 25 г при 30-500 Гц | 25 г при 30-500 Гц |
| 14 | Разрешение/порог (мкг) | <10 мкг | <10 мкг | <10 мкг |
| 15 | Полоса пропускания (Гц) | >300 Гц | >300 Гц | >300 Гц |
| 16 | Ток покоя на источник питания (мА) | <20 мА | <20 мА | <20 мА |
| 17 | Мощность покоя (мВт) при ±15 В пост. тока | <480 мВт | <480 мВт | <480 мВт |
| 18 | Входное напряжение | от ±13 до ±18 В | от ±13 до ±18 В | от ±13 до ±18 В |
| 19 | Вес (граммы) | <55г | <55г | <55г |
| 20 | Диаметр под монтажной поверхностью | Ф25мм | Ф25мм | Ф25мм |
| 21 | Высота от низа до монтажной поверхности (дюймы) | <21,5 мм | <21,5 мм | <21,5 мм |
| 22 | Материал корпуса | нержавеющая сталь серии 300 | нержавеющая сталь серии 300 | нержавеющая сталь серии 300 |
| 23 | Датчик температуры (AD590LF) | Вариант | Вариант | Вариант |
ОТКАЗ ОТ ОТВЕТСТВЕННОСТИ: Технические характеристики могут быть изменены без предварительного уведомления. kaituo оставляет за собой право вносить изменения в любой продукт или технологию, представленные здесь, для улучшения надежности, функциональности или дизайна.