Гибкий кварцевый акселерометр серии KTJB2 — это высокоточный инерциальный навигационный акселерометр для большого количества военных приложений (до 100 г). Продукт обладает превосходной долговременной стабильностью, повторяемостью, пусковыми характеристиками, адаптивностью к окружающей среде и высокой надежностью, который может использоваться для статических испытаний или динамических испытаний. Он также является стандартным датчиком вибрации и датчиком наклона.
Выходной ток продукта имеет линейную зависимость от полученной силы или ускорения. Пользователи могут выбрать соответствующее сопротивление выборки с помощью расчета для достижения высокоточного выходного сигнала. И в соответствии с потребностями пользователя встроенный датчик температуры, используемый для компенсации значения и масштабного коэффициента, снижает влияние температуры окружающей среды.
Области применения: инерциальное измерение военной высокоточной инерциальной навигационной системы в аэрокосмической, авиационной, судостроительной, оружейной и других областях, а также испытание на виброизоляцию и испытание на наклон точного приборного оборудования.
Функции
1. Превосходная повторяемость включения
2. Устойчивость к воздействию окружающей среды
3. Аналоговый выход
4. Диапазон регулировки в полевых условиях
5. Внутренний датчик температуры для термокомпенсации (опция)
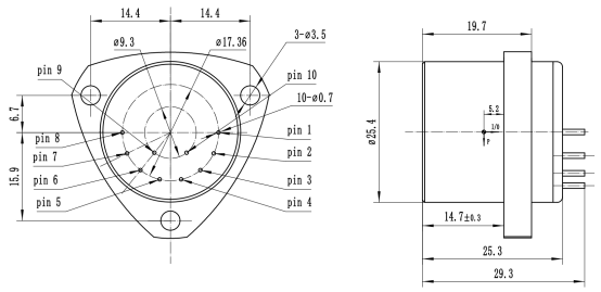
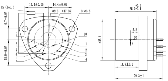
6. Высокий диапазон (100 г) Чертеж
конфигурации и интерфейс 

Маркировка: Датчик температуры - AD590; Точка 10 - высокая мощность. Точка 9 - низкая мощность. Точка 9 и заземление питания используют одно платиновое сопротивление; значение составляет 1 К, тепловой коэффициент менее 5 ppm. Характеристики
производительности
| Серийный номер | Параметры | КТ ЖБ2-01 | КТ ЖБ2-02 | КТ JB2-03 |
| 1 | Диапазон | ±70г、±100г | ±70г、±100г | ±70г、±100г |
| 2 | Порог/Разрешение | 5мкг | 5мкг | 5мкг |
| 3 | Смещение k0/k1 | ≤±3 мг | ≤±3 мг | ≤±5 мг |
| 4 | Коэффициент масштабирования kl | 0,8~1,2 мА/г | 0,8~1,2 мА/г | 0,8~1,2 мА/г |
| 5 | Коэффициент нелинейности II класса k2/k1 | ≤±10 мкг/г2 | ≤±15 мкг/г2 | ≤±20 мкг/г2 |
| 6 | 0g 4 часа кратковременной стабильности | ≤10 мкг | ≤10 мкг | ≤10 мкг |
| 7 | 1 г 4 часа кратковременной стабильности | ≤10 частей на миллион | ≤10 частей на миллион | ≤10 частей на миллион |
| 8 | Дрейф смещения Sigma k0( 1σ, один месяц) | ≤10 мкг | ≤15 мкг | ≤25 мкг |
| 9 | Повторяемость масштабного коэффициента Sigma kl/kl( 1σ,один месяц) | ≤15 частей на миллион | ≤20 частей на миллион | ≤30 частей на миллион |
| 10 | Нелинейность класса II Коэффициент повторяемости k2/k1(1σ,один месяц) | ≤±10 мкг/г2 | ≤±10 мкг/г2 | ≤±10 мкг/г2 |
| 11 | Коэффициент термического смещения | ≤±10 мкг/℃ | ≤±20 мкг/℃ | ≤±30 мкг/℃ |
| 12 | Коэффициент масштабирования тепловой коэффициент | ≤±20 частей на миллион/℃ | ≤±30 частей на миллион/℃ | ≤±50 частей на миллион/℃ |
| 13 | Шум (сопротивление образца 840 Ом) | ≤5мВ | ≤5мВ | ≤5мВ |
| 14 | Собственная частота | 400~800 Гц | 400~800 Гц | 400~800 Гц |
| 15 | Пропускная способность | 800~2500 Гц | 800~2500 Гц | 800~2500 Гц |
| 16 | Вибрация | 6g(20-2000Гц) | 6g(20-2000Гц) | 6g(20-2000Гц) |
| 17 | Шок | 100 г, 8 мс, 1/2 sin | 100 г, 8 мс, 1/2 sin | 100 г, 8 мс, 1/2 sin |
| 18 | Диапазон температур (рабочий) | -55~+85℃ | -55~+85℃ | -55~+85℃ |
| 19 | Диапазон температур(сохранен) | -60~+120℃ | -60~+120℃ | 60~+120℃ |
| 20 | Власть | ±12~±15В | ±12~±15В | ±12~±15В |
| 21 | Потребляйте ток | ≤±20мА | ≤±20мА | ≤±20мА |
| 22 | Датчик температуры | Вариант | Вариант | Вариант |
| 23 | Размер | Ф25.4X30мм | Ф25.4X30мм | Ф25.4X30мм |
| 24 | Масса | ≤80г | ≤80г | ≤80г |
ОТКАЗ ОТ ОТВЕТСТВЕННОСТИ: Технические характеристики могут быть изменены без предварительного уведомления. kaituo оставляет за собой право вносить изменения в любой продукт или технологию, представленные здесь, для улучшения надежности, функциональности или дизайна.