Гибкий кварцевый акселерометр серии KT-JB3 — это миниатюрный, высокоточный акселерометр инерциального навигационного класса для большого количества военных приложений. Изделие отличается превосходной долговременной стабильностью, повторяемостью, производительностью запуска, адаптивностью к окружающей среде и высокой надежностью, что позволяет использовать его для статических и динамических испытаний. Это также стандартный датчик вибрации и датчик наклона.
Продукт использует уникальный миниатюрный дизайн и процесс упаковки, выходной ток и сила или ускорение находятся в линейной зависимости, пользователи могут рассчитать и выбрать соответствующее сопротивление выборки, чтобы достичь высокоточного выходного сигнала. И в соответствии с потребностями пользователя встроенный датчик температуры, используемый для компенсации значения смещения и масштабного коэффициента, снижает влияние температуры окружающей среды.
Области применения: инерциальные измерения в военных инерциальных навигационных системах в космонавтике, авиации, судостроении, производстве оружия и других областях, а также испытания на виброизоляцию и наклон точного приборостроения.
Особенности
1. Превосходная повторяемость включения
2. Устойчивость к воздействию окружающей среды
3. Аналоговый выход
4. Диапазон регулировки в полевых условиях
5. Меньший размер корпуса (30 граммов)
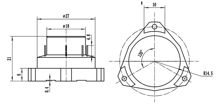
Чертеж конфигурации и интерфейс

Контур 1 для квадрата

Контур 2 для треугольника

Outline3 для перевернутого треугольника
Эксплуатационные характеристики
| Серийный номер | Параметры | ЖБ3-01 | ЖБ3-02 | ЖБ3-03 |
| 1 | Диапазон | ±60г | ±60г | ±70г、 ±100г |
| 2 | Порог/Разрешение | 5мкг | 5мкг | 5мкг |
| 3 | Смещение k0/k1 | ≤(±5 мг) | ≤(±5 мг) | ≤(±5 мг) |
| 4 | Коэффициент масштабирования kl | 1,0±0,2 мА/г | 1,0±0,2 мА/г | 0,6±0,2мА/г |
| 5 | Коэффициент нелинейности II класса k2/k1 | ≤±20 мкг/г2 | ≤±30 мкг/г2 | ≤±20 мкг/г2 |
| 6 | 0g 4 часа кратковременной стабильности | ≤10 мкг | ≤20 мкг | ≤20 мкг |
| 7 | 1 г 4 часа кратковременной стабильности | ≤10 частей на миллион | ≤20 частей на миллион | ≤20 частей на миллион |
| 8 | Дрейф смещения Sigma k0( 1σ, один месяц) | ≤15 мкг | ≤50 мкг | ≤50 мкг |
| 9 | Повторяемость масштабного коэффициента Sigma kl/kl (1σ,один месяц) | ≤15 частей на миллион | ≤50 частей на миллион | ≤50 частей на миллион |
| 10 | Нелинейность II класса Коэффициент повторяемости k2/k1(1σ,один месяц) | ≤±20 мкг/г2 | ≤±30 мкг/г2 | ≤±30 мкг/г2 |
| 11 | Коэффициент термического смещения | ≤±15 мкг/℃ | ≤±50 мкг/℃ | ≤±50 мкг/℃ |
| 12 | Коэффициент масштабирования тепловой коэффициент | ≤±15 частей на миллион/℃ | ≤±80 частей на миллион/℃ | ≤±50 частей на миллион/℃ |
| 13 | Шум (сопротивление образца 840 Ом) | ≤5мВ | ≤8,4мВ | ≤8,4мВ |
| 14 | Собственная частота | 350~800 Гц | 350~800 Гц | 350~800 Гц |
| 15 | Пропускная способность | 800~2500 Гц | 800~2500 Гц | 800~2500 Гц |
| 16 | Вибрация | 10g(20-2000Гц) | 10g(20-2000Гц) | 10g(20-2000Гц) |
| 17 | Шок | 150 г, 4,5 мс, 1/2 sin | 150 г, 4,5 мс, 1/2 sin | 150 г, 0,5 мс, 1/2 sin |
| 18 | Диапазон температур (рабочий) | -55-+85℃ | -55-+85℃ | -55-+85℃ |
| 19 | Диапазон температур(сохранен) | -60-+120℃ | -60-+120℃ | -60-+120℃ |
| 20 | Власть | ±12~±15В | ±12~±15В | ±12~±15В |
| 21 | Потребляйте ток | £±20мА | £±20мА | £±20мА |
| 22 | Датчик температуры | Вариант | Вариант | Вариант |
| 23 | Размер | Ф18.2X23мм | Ф18.2X23мм | Ф18.2X23мм |
| 24 | Масса | £30грамм | £30грамм | £30грамм |
ОТКАЗ ОТ ОТВЕТСТВЕННОСТИ: Технические характеристики могут быть изменены без предварительного уведомления. kaituo оставляет за собой право вносить изменения в любой продукт или технологию, представленные здесь, для улучшения надежности, функциональности или дизайна.